Правила проведения измерений
Любая работа, связанная с электросетью и электричеством, должна выполняться соблюдением техники безопасности. Следует придерживаться следующих требований:
- Работать внимательно, аккуратно, всегда проверять правильность включения щупов и выбора режима.
- Нельзя браться за щупы двумя руками. При наборе с напряжением, если произойдет пробой изоляции, электрический ток пройдет через тело человека и самую опасную область – сердце. Поэтому лучше одной рукой устанавливать первый щуп, потом ей же второй. В таком случае риски снижаются.
Замеры неизвестных величин начинаются с выставления максимального предела. Потом по мере необходимости значение снижается на разряд
Также важно не забывать, что в режиме амперметра переставлять придется и красный щуп в другой разъем.
Важно помнить, что все мультиметры отличаются, и у каждой модели могут быть свои особенности работы. Поэтому перед началом измерений нужно внимательно ознакомиться с инструкцией по эксплуатации.
Нужно внимательно относиться к проведению измерений
Нужно давать время на разрядку элементов схемы, так как остаточного заряда может хватить для получения электрического удара или поломки тестера.
Нужно соблюдать правильность подключения мультиметра в том или ином режиме. Амперметр должен подключаться последовательно, то есть становиться частью цепи. Вольтметр включается параллельно. Для измерения сопротивления внешнее питание не требуется. Замер сопротивления под напряжением запрещен!
Производит измерения нужно максимально быстро. При необходимости результат фиксируется кнопкой hold. Длительное измерение приводит к быстрой разрядке источника питания и нагреву компонентов схемы.
Соблюдение правил обязательно для правильного проведения процедуры измерения.
Как измерить напряжение, ток, сопротивление
Напряжение сети, ток в цепи, сопротивление отдельных элементов или контуров электрических схем проводится согласно закону Ома для участка цепи. Тем, кто их забыл, рекомендуется обновить в памяти школьный курс физики. Без этого получать правильные данные и сохранить работоспособность прибора будет весьма сложно.
Определение значения напряжения
Мерить напряжение на участке цепи или отдельном элементе проще всего.
- Сначала подключают щупы в гнезда, соответствующие предполагаемым значениям измеряемого параметра.
- Переключают мультиметр на использование режима, соответствующего характеру тока (переменный или постоянный).
- Прикладывают щупы к контрольным точкам. Это могут быть ножки электронного компонента или отдельные точки в общей схеме.
Согласно закону Ома для участка цепи, на параллельно включенных элементах падает равное напряжение. Именно на этом принципе основана работа контрольных схем мультиметра. Так как неверное подключение прибора являет собой достаточно сложный процесс, обычно с измерением напряжения пользователи справляются с максимальной уверенностью.
Определение значения силы тока
Силу тока измеряют последовательным включением. При этом сопротивление контрольного элемента внутри устройства крайне мало для снижения влияния на параметры исследуемой сети. Согласно закону Ома, по всем последовательно соединенным участкам цепи течет одинаковый ток.
Важно! Просто прислонить щупы к контрольным точкам нельзя. В режиме определения силы тока такое действие если не уничтожит измеритель, то сделает его непригодным для дальнейших тестов того же типа.. Прибор нужно включать последовательно
То есть разорвать цепь и коммутировать его к образовавшимся контрольным точкам. Например, отпаять провод питания. Один щуп подключается к питающему кабелю, другой — к бывшей точке его коммутации на схеме
Прибор нужно включать последовательно. То есть разорвать цепь и коммутировать его к образовавшимся контрольным точкам. Например, отпаять провод питания. Один щуп подключается к питающему кабелю, другой — к бывшей точке его коммутации на схеме.

Определение значения сопротивления
При измерении сопротивления на регуляторе необходимо поставить Омы поворотом ручки в нужную зону и прислонить щупы к выводам детали или контрольным точкам схемы.
Важно! При этом критически важно, чтобы цель тестирования не находилась под напряжением. При несоблюдении этого условия контрольные элементы устройства выходят из строя, и прибор становится непригоден для выполнения измерений сопротивления
Рекомендуется также действовать согласно главному правилу, устанавливая максимальный предел перед началом работы и снижая его для уменьшения погрешности.
Данные методики измерений типичны и работают на большинстве классов устройств. Автоматические приборы проще в использовании. Они могут без участия пользователя настраиваться на параметры цели исследования и прощать некоторые ошибки своего владельца. Чтобы знать, на что способна та или иная модель — рекомендуется тщательно изучать инструкцию по ее эксплуатации.

Внешний вид
В середине прибора размещается переключатель. С его помощью выбирается режим работы мультиметра.
- По кругу вокруг переключателя нанесены отделы, которые и определяют режимы измерения параметров:
- напряжение: постоянное и переменное;
- ток: постоянный и переменный;
- сопротивление;
- параметры радиодеталей.

Есть три отверстия для щупов, кнопка или тумблер включения и отключения прибора, монитор, на котором высвечиваются результаты.
Перед тем как разбираться с вопросом, как пользоваться цифровым мультиметром, необходимо узнать все о надписях на его панели. Постоянное напряжение обозначается как (V-). Переменное – (V~).
Постоянный ток: А-, переменный: А~. Сопротивление: Ω.
Есть три гнезда для щупов: V/Ω, com, mA.
В некоторых мультиметрах гнезд четыре. Добавляется 20 A max. Оно используется, если необходимо измерить ток силой больше 200 мА.
Уже по надписям можно осознать, что функции мультиметра обладают большим диапазоном. Что такое мультиметр, определено, по надписям все понятно, теперь основной вопрос – как пользоваться мультиметром для чайников.
Но, давайте, пока отвлечемся от процесса измерений и внимательно посмотрим на лицевую панель мультиметра. Здесь, кроме цифр, можно увидеть много различных символов, напоминающих друдлы (картинки – каракули, к которым надо придумать объяснение, подпись).
Эти обозначения следует выучить наизусть, как таблицу умножения, и никогда не забывать. Это поможет не только правильно пользоваться мультиметром, получать достоверные результаты измерений, но и убережет прибор от выхода из строя при неправильном пользовании.
Все мультиметры комплектуются измерительными щупами, причем, у всех моделей приборов они одни и те же: на одном конце однополюсная вилка для подключения к мультиметру, на другом – измерительный щуп, не очень, правда, удобной конструкции.
Щупы, как правило, красного и черного цвета, что позволяет соблюдать полярность подключения. Лучше всего это сделать, как показано на рисунке.

Подключение измерительных щупов к мультиметру
Но, если разобраться, то соблюдение полярности не особо и нужно. При измерении переменного напряжения полярность подключения прибора роли вообще не играет, результат будет одним и тем же.
И все же, измерительные щупы лучше подключить так, как показано на рисунке 2: черный щуп в гнездо с надписью «COM» (общий), а красный в гнездо расположенное выше, что позволит проводить все измерения, кроме измерения токов на пределе 10 A, что приходится делать не слишком часто.
Особенно следует соблюдать полярность подключения щупов в режиме «прозвонки» полупроводников: на красном щупе будет присутствовать плюсовое напряжение омметра, что позволит правильно подключить исследуемую деталь. Подробнее о проверке полупроводников будет рассказано чуть ниже. Подключение щупов для проверки диода показано на рисунке.

На красном щупе «плюс» омметра
Провода в измерительных щупах крепятся только пайкой, а на выходе из пластмассовых наконечников свободно болтаются и мотаются, а со временем отматываются совсем и вылетают. Чтобы этого не произошло, следует укрепить провода в щупах с помощью термоусадочной трубки или изоленты.
Проверка радиодеталей мультиметром
С помощью мультиметра можно проверить практически любую деталь.
Проверка диодов
Чтобы проверить светодиод на исправность, подключите черный щуп к катоду, а красный к аноду.

Проверка работы светодиода мультиметром
Если светодиод небольших размеров, он загорится. Напряжения кроны хватит зажечь небольшого размера детали.

Измерение SMD диода на плате
При проверке p-n перехода диодов с помощью прозвонки на экране показывается не сопротивление, а именно падение напряжения.
Измерение сопротивления деталей
Переключаем прибор на шкалу со знаком Ω. Это измерение сопротивления.

Измерение сопротивления
Точка показывает предел выбранного измерения. На фотографии выбран предел 20 кОм (не 200 кОм, как показано выше).

Проверка сопротивления резистора
Проверка конденсаторов
Например, чтобы измерить емкость, нужно сначала переключить красный щуп в другой разъем, где обозначен конденсатор.
Переключаем прибор на шкалу с фарадами.

Измерение емкости
При измерениях емкостей красный щуп должен быть на плюсе, а черный на минусе. И перед измерениями электролитических конденсаторов их сначала нужно разрядить, иначе можно повредить измерительные цепи.

Измерение емкости конденсатора мультиметром
Методики измерений
Для выполнения рабочих операций переключатель переводится в нужное положение. Черный провод щупа подключают к общему гнезду («Com»). Красный – устанавливают с учетом максимальной силы тока.

Органы управления
Сначала можно рассмотреть, как измерить напряжение мультиметром в розетке. Эта операция выполняется по следующему алгоритму:
- Провода подсоединяют так, как указано на рисунке выше.
- Переключатель переводят из «Off»в режим измерения переменного напряжения«V~». В данном случае используют диапазон «750», так как предполагаемое значение – 220 Вольт.
- Прибор устанавливают поблизости от розетки
- Щупы вставляют в нее, держась руками за изолированные части щупов.

Демонтировать аккумулятор для измерений не обязательно. Но надо не забыть перевести регулятор в положение «Постоянное напряжение»
Как проверить мультиметром сопротивление
Такую процедуру выполняют со снятием напряжения в месте измерения. Невыполнение правила ухудшит точность данных, либо выведет технику из строя. Это же не следует делать, чтобы предотвратить потенциально опасные для человека ситуации. Если не известно, вначале устанавливают максимальное значение. Далее переключателем снижают диапазон вплоть до выбора оптимального варианта.

Для удобства работы применяют специальные зажимы («крокодилы»)
Если знать, как мультиметром замерить сопротивление, можно выяснить исправность нагревательного элемента чайника, другой бытовой техники
Как измерить силу тока мультиметром
Для этой операции необходимо создать разрыв цепи. К нему подключают прибор с учетом предполагаемой величины тока. Как и в предыдущем случае, выбирается диапазон с максимальным значением. Если необходимо, регулятор переводят постепенно в нужную позицию.

Для определения силы тока прибор устанавливают в электрическую цепь последовательно
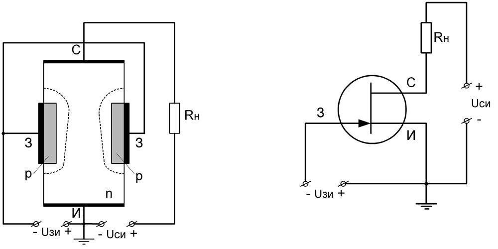
Как проверить мультиметром полевой транзистор
Диагностика этих электронных приборов помогает выяснить исправность полупроводниковых переходов. В стандартном варианте применения ток течет по направлению от истока (И/ S) к стоку (С/ D). Этот процесс регулируется изменением электрического потенциала на затворе (З/ G).

Полевой n-канальный транзистор
Обратите внимание! Особенностью этих приборов является повышенная чувствительность к статическому напряжению. Даже в режиме хранения создают постоянный электрический контакт между всеми выводами с применением металлической проволоки, фольги
Проверку выполняют по следующему алгоритму:
- Регулятор мультиметра переводится в режим работы с диодами.
- «Минусовой» черный щуп присоединяют к истоку (И/ S), красный – к стоковому (С/ D) контактному выводу. В нормальном состоянии на дисплее отобразится 0,6 V (допустимое отклонение в пределах ±0,1V).
- Далее щупы меняют местами. В этом положении на экране появляется горизонтальная восьмерка (знак «бесконечность»). Вместо нее в некоторых приборах выводится единица.
- Чтобы открыть p-n-p переход щуп «минус» присоединяют к истоку, «плюс» – к затвору (З/ G).
- Далее «плюс» перемещают на сток. В этом положении должно индицироваться напряжение в диапазоне0 – 0,8V.
- Результат измерений на исправном транзисторе не изменяется, если сменить полярность.
Проверка конденсаторов мультиметром
Приборы, установленные в печатных платах, предварительно осматривают. При обнаружении вытекшего электролита, трещин и вздутий на корпусе, проверка не нужна. Изделие меняют на новое.
Измерение выполняют с извлечением конденсатора из электрической схемы, чтобы обеспечить хорошую точность. После демонтажа любым проводником с изолированной рукояткой (отверткой) разряжают прибор, замкнув выводы. Также используют лампу накаливания, чтобы процесс был плавным.
Далее мультиметром проверяют отсутствие короткого замыкания. Для проверки зарядки устанавливают регулятор в режим измерения сопротивления и подсоединяют щупы. Показания на табло будут постепенно расти, пока не достигнут максимума.

В некоторых моделях мультиметров есть специальные контактные площадки и регулировки диапазонов для измерения емкости конденсаторов
Диагностика простых повреждений
Если досконально выяснить, как прозвонить транзистор мультиметром, то применять иные методики будет не трудно. Но в действительности, чаще всего требуется определять разрывы в электрических цепях. Для упрощения этих операций многие мультиметры оснащают специальной функцией. Она активизируется при переводе регулятора в положение «прозвонка». О наличии контакта сообщает сигнализация.

Синей линией выделено включение прибора в режим проверки со звуковым сопровождением
Описание измеряемых параметров и их обозначение
Для обозначения параметров на мультиметрах производители применяют стандартную маркировку на английском языке или специальные символы
Для работы с прибором важно знать основы электротехники, чтобы правильно и безопасно осуществлять необходимые измерения
Каждый мультиметр разделен на зоны с настройками для работы с определенным видом напряжения электрической сети:
- ACV или V~ – напряжение переменного тока;
- DCV или V- – напряжение постоянного тока;
- DCA или A- – сила постоянного тока;
- Ω – сопротивление на участке цепи или в электрическом приборе.
Переменный ток
Значок переменного тока аналогичен переменному напряжению — волнистая черта забуквой A. Для измерения переменного тока в схему вводят выпрямительные диоды. Цешка плохо подходит для измерения этого параметра. Для этого нужны токоизмерительные клещи.
Постоянный ток
С помощью этого режима измеряется напряжение элементов питания, батареек и аккумуляторов автомобилей. Большинство цепей управления в современных системах АСУТП имеют потенциал 24 В постоянного тока.
Для того, чтобы выполнить измерение в этом режиме необходимо перевести прибор в положение DCV, при этом замер (если не знаете примерное напряжение) лучше всего начинать с максимального значения переключателя, постепенно уменьшая диапазон, до получения нужной размерности. Если на экране прибора результат измерения отображается со знаком «минус», то значит была нарушена полярность подключения щупов (это значит «минус» был подключен к «плюсу» цепи, в которой производится измерение, а «плюс» к «минусу»).
Что касается размерности, то тут все просто: если, к примеру, на экране высвечивается цифра 003, то значит необходимо уменьшить диапазон измерения. Постепенно снижая величину напряжения с помощью переключателя, будет высвечиваться 03, 3.
Если на дисплее отображается цифра «1» или другое непонятное число, то скорее всего неправильно выбран режим работы или необходимо повысить верхний предел измеряемого напряжения. Другими словами измеряемое значение напряжение должно быть меньше, чем верхний предел, выбранный на мультиметре.
Стандартные значения для переключателя в зоне постоянного напряжения: до 200мВ, 2В, 20В, 200В, 1000В.
Замер напряжения
Замерять тестером напряжение не сложно. Начнем с измерения постоянки, к примеру в обычной пальчиковой батарейке формата АА.

Последовательность действий будет такой:
- Подсоединяем красный провод к гнезду VΩ с плюсовым потенциалом. Как мы помним, черный провод вставляется только в разъем COM (минусовой потенциал).
- Выбираем предел измерения в секторе DCV, исходя из напряжения, которое дает сам измеряемый элемент. В батарейке AA — это 1,5 Вольт, следовательно, тумблер нужно установить на положении больше этого значения, но при этом наиболее близком к нему. Это будет 2, 10 или 20 (зависит от используемого прибора).
- Размещаем щупы на батарейке с учетом полярности: черный — к минусу, красный — к плюсу, и смотрим на результаты.
Знак «-«, который может появиться перед числом, говорит о нарушении полярности. Тогда щупы на измеряемом элементе просто меняются местами.
Последовательность действий для замера переменного напряжения аналогична измерению переменки. Единственное отличие — это то, что выбирать предел измерений необходимо в секторе ACV. Для проверки напряжения в обычной розетке переключатель выставляется напротив числа выше 220 (это может быть 600 или 750).

А поскольку полярность в переменке отсутствует, то по поводу правильной установки проводов можно не беспокоиться.
Если результат оказался ниже 200, то для получения более точных показаний можно переставить тумблер на отметку 200.
Как пользоваться мультиметром: инструкция для чайников
Рассмотрим, как измерить несколько электрических характеристик.
Потенциал
- установить режим в позицию ACV или DCV в предполагаемом интервале;
- черный провод подключить к коннектору СОМ, красный — к разъему VΩmA;
- наконечники щупов соединить с контактами цепи;
- считать с дисплея значение напряжения.
Высветившееся на дисплее число — величина напряжения в вольтах. Знак «минус» говорит о том, что полярность была нарушена. Если мультиметр поддерживает функцию удержания, значение можно зафиксировать кнопкой HOLD. Это удобно для большой цепочки измерений. Для точности рекомендуется провести 2-3 попытки.
Сила тока
для проведения измерений в цепи устраивается разрыв;
черный щуп — в гнездо СОМ;
красный — в разъем до 200 мА или 10А;
наконечниками осторожно прикоснуться к контактам;
считать с дисплея значение напряжения.
Эта характеристика измеряется только при последовательном подключении тестера в цепь и включенном питании. Большинство приборов дают возможность определить силу тока до 10 А, поскольку в быту большие значения используются редко. При работе с оголенными проводами необходимо соблюдать технику безопасности.
Сопротивление
- установить режим Ω, выбрав максимальный диапазон;
- щупы вставить в соответствующие коннекторы;
- проверить состояние — замкнуть щупы друг на друга. Должен появиться 0 или небольшое число, которое нужно учитывать при измерении сопротивления цепи;
- концы проводников набросить на контакты исследуемого объекта;
- считать с дисплея значение сопротивления.
Эту характеристику можно измерить тестером без подачи питания на резистор. Исследуемый элемент просто замыкается между двумя щупами. На экране появится сопротивление элемента или участка цепи, если проводимости нет, на экране высвечивается единица. Для точных измерений рекомендуется провести 2-3 попытки.
Измерение транзисторов
- установить режим;
- вставить ножки транзистора в разъем в соответствии с цоколевкой;
- отображением на дисплее будет значение усиления сигнала.
Для проверки исправности pn-переходов и определения коэффициента усиления диоды и простейшие транзисторы измеряются при установленном режиме «диод». К базе подключается красный щуп (плюс), на эмиттер или коллектор черный (минус). При правильной полярности на экране высветится коэффициент передачи.
Емкость конденсатора
- выставить режим Fcx;
- к коннектору для конденсаторов подключить красный щуп, черный — к СОМ;
- считать с дисплея значение емкости в Фарадах.
Конденсатор должен быть разряжен. Обнулить его можно отверткой с изолированной ручкой, соединив выводы между собой или с помощью 15 вольтовой лампочки с припаянными щупами. Даже мощный конденсатор до 400 В разряжается быстро без риска для человека и самого элемента. При неисправностях конденсатора сопротивление бесконечно. Пробой характеризуется уменьшением емкости.
Прозвонка
- установить режим прозвонки (значок «звуковой микшер»);
- подключить щупы к концам участка проводки.
Чтобы установить целостность проводки или кабелей, производится их «прозвон». Он заключается в проверке сопротивление участка на минимальном диапазоне измерений. Если целостность проводки не нарушена, раздастся звуковой зум, а на дисплее тестера будет высвечиваться значение близкое к нулю, если число на дисплее нестабильное и «прыгающее» — проводимость в цепи отсутствует.
Измерение температуры
- вставить термопары в соответствующие коннекторы, соблюдая полярность;
- приблизить условный спай к точке, в которой нужно найти температуру;
- считать с дисплея значение температуры.
При контакте с температурной средой между концами термопары образуется электрический потенциал. Измеряя его, можно найти температуру объекта. На шкале с функцией термодатчика предусмотрен сектор ТЕМР, куда нужно устанавливать переключатель режима. Для проверки работоспособности прибора можно зажать конец термопары в руках. На экране должно появиться значение около 36°.
Точность работы мультиметра
В зависимости от сложности устройство может иметь от 2,5 (простейших) до 8,5 (точных) цифр экрана. Самые распространенные устройства с загрузкой 3.5. Бит указывает, что устройство может отражать количество битов от 0 до 9 полностью или частично. Например, для 3,5 цифр возможны измерения в диапазоне от 0,000 до 1,9999. Если значение выходит за пределы указанного диапазона, необходимо ручное или автоматическое переключение на другой диапазон.
Точность операции не зависит напрямую от бита, хотя есть связь. Следовательно, для устройств с погрешностью измерения разряда 2,5 примерно 10%, для устройств от 4,5 до 0,1%. При глубине немного больше 5 точность оговаривается отдельно для каждого типа измерения и может достигать 0,01%.
Стационарные инструменты обычно имеют более высокую точность, чем портативные инструменты.
Мультиметр цифровой: как пользоваться
При замере каждого из параметров (тока, напряжения, сопротивления и так далее) необходимо для начала:
- примерно представить себе диапазон замера. Так, для аккумулятора это может быть 1,5 В, 7,5 В, 12 В и так далее. ВСЕГДА выбирается значение немного больше предполагаемого. Это своего рода «запас прочности», чтобы не испортить прибор;
- правильно выбрать направление измерения. При этом следует переместить указатель мультиметра в нужное положение, ориентируясь на общепринятые обозначения, нанесенные на корпус;
- правильно присоединить щупы. Минусовый (черный) щуп при любом виде измерений включается в общее гнездо COMMON (COM), плюсовый устанавливается в гнездо, предназначенное для конкретного вида измерений.
При любых измерениях необходимо подключать щупы в разрыв сети параллельно!
Общая схема действий – как пользоваться тестером электрическим (мультиметром):
- перевести указатель прибора в нужный диапазон измерений, выставив значение на 5…10% выше предполагаемого. При неизвестном значении выставляется максимальное значение;
- подключить щупы соответственно типу измерений – красный в разъем VΩmA (VΩ, V/Ω) для измерений тока, напряжения, сопротивления малых значений или 10А (20А) для тока больших значений, черный – в общий разъем COM;
- поднести щупы к прибору или сети, для которых проводятся замеры. Соответственно красный щуп подключается к плюсовому выходу, черный – к минусовому;
оценить высветившееся на дисплее значение. При необходимости скорректировать положение указателя для получения более точных данных.
Подробная инструкция, как пользоваться как пользоваться тестером-мультиметром в разных режимах измерений, приведена в статьях «Как проверить сопротивление мультиметром» и «Как измерить силу тока мультиметром».
Пример: необходимо оценить сопротивление устройства или электрической цепи. На дисплее высветился «0». Следовательно, выбранный диапазон больше необходимого, необходимо перевести указатель на меньшие значения. При высвечивании «1», «OL», «OVER» напротив, необходимо повысить диапазон – в выбранном идет перегрузка. Если высветилось цифровое значение с двумя и более разрядами, но оно существенно меньше выбранного диапазона (200 при выбранном 700 Ом), следует снизить значение.
Конструкция мультиметра и маркировка прибора

Внешне это прямоугольный пластиковый короб, где вверху с лицевой стороны находится дисплей. Под ним расположены органы управления и информация о режимах тестирования. Головным устройством для установки режима является круговой переключатель.
Вокруг находятся обозначения параметров, активируемых при повороте ручки. Отдельно вынесено гнездо для подключения транзисторов с целью тестирования. Также есть разъемы для щупов с изолированными рукоятками, которые также идут в комплекте вместе с проводами.
Есть тестеры, которые имеют англоязычные отметки. Например, когда нужно переключить напряжение с постоянного на переменное, необходимо переключить режим с V- на V~. Замеры силы тока также требует предустановки его типа: A- (постоянный) и A~ (переменный) ток. Отдельно вынесен переключатель для тестирования сопротивления. Положение переключателя – Ω.

Также используются специальные аббревиатуры:
- ACV (alternating current voltage) – переменное напряжение, оно же напряжение переменного тока;
- DCV (direct current voltage) – постоянное напряжение (напряжение постоянного тока);
- DCA (direct current amperage) – постоянный ток (измерение силы);
- Ω – сопротивление электрической сети или устройства;
- 10А – для измерения постоянного тока в пределах 10 А. Подключается плюсовый (красный) щуп;
- VΩmA или VΩ, V/Ω – для оценки сопротивления, напряжения, силы тока до 200 мА, прозвонки диодов и проводов. Подключается плюсовый щуп;
- COMMOM (COM) – общий, в него подключается минусовый (синий или черный) щуп.
20 А max – это режим, применяемый для цепей с силой тока более 10 Ампер. Этот разъем встречается не на всех моделях, а только на специализированных, которыми пользуются на производствах. А чтобы не запутаться, в литературе и информационных публикациях «для чайников» и профессионалов, установлена специальная классификация. Описывая, как правильно измерить тестером тот или иной параметр, авторы предполагают, что красный провод с наконечником подключается к «плюсу», тогда как синий или черный – соответственно «минус».
В качестве дополнительного оборудования в комплект поставки могут идти различные выносные датчики, например, для замера температуры. Также прикладываются различные шнуры для подключения к сетям с разными рабочими параметрами. Есть модификации с ударопрочным корпусом. Также несложно найти прибор с защитой от воды, влаги, пыли. Они стоят немного дороже, но приспособлены для работы вне дома.
Если же планируется использование исключительно в мастерской, где всегда чисто и сухо, переплата нецелесообразна. В любом случае при выборе учитывают и эти качества.



































![Идеальная флешка для iphone | все что вам надо знать [полное руководство]](https://clusterwin.ru/wp-content/uploads/8/4/9/849c4fda4162e23b469b1c417c61d249.jpeg)

