Варианты самодельных устройств
На просторах интернета размещено достаточное количество разнообразных конструкций, создаваемых для различных целей. Взять индукционный малогабаритный нагреватель, сделанный из компьютерного блока питания 250—500 Вт. Модель, показанная на фото, пригодится мастеру в гараже или автосервисе для плавки стержней из алюминия, меди и латуни.
Но для отопления помещений конструкция не подойдет по причине малой мощности. В интернете есть два реальных варианта, чьи испытания и работа засняты на видео:
- водонагреватель из полипропиленовой трубы с питанием от сварочного инвертора либо индукционной кухонной панели;
- стальной котел с нагревом от той же варочной панели.
Теперь давайте подробнее разберем, как делаются индукционные нагреватели своими руками, а главное, — как они потом функционируют.
Изготавливаем нагревательный элемент из трубы
Если вы плотно занимались поиском информации по данной теме, то наверняка столкнулись с этой конструкцией, поскольку мастер выложил ее сборку на популярном видеоресурсе YouTube. После чего многие сайты разместили текстовые версии изготовления этого индуктора в виде пошаговых инструкций. Вкратце нагреватель делается так:
- Внутрь трубы из полипропилена диаметром 40 мм и длиной 50 см наталкиваются металлические ершики для мытья посуды (можно рубленую проволоку — катанку). Они должны притягиваться магнитом.
- К трубе припаиваются отводы с резьбами для подключения к отопительной сети.
- Снаружи вдоль корпуса приклеиваются 4—5 стержней из текстолита. На них наматывается провод сечением 1.7—2 мм² со стеклоизоляцией, применяющийся в сварочных трансформаторах.
- Варочная панель разбирается и «родной» индуктор плоской формы демонтируется. Вместо него подключается самодельный нагреватель из трубы.
Как нетрудно догадаться, роль нагревательного элемента здесь играют металлические ершики, находящиеся в переменном магнитном поле катушки. Если запустить варочную панель на максимум, одновременно пропуская через импровизированный котел проточную воду, то ее удастся нагреть на 15—20 °С, что и показали испытания агрегата.
Поскольку мощность большинства индукционных плит лежит в пределах 2—2.5 кВт, то с помощью теплогенератора можно обогреть помещения общей площадью не более 25 м². Есть способ увеличить нагрев, подключив индуктор к сварочному аппарату, но здесь есть свои сложности:
- Инвертор выдает постоянный ток, а нужен переменный. Для подсоединения индукционного нагревателя аппарат придется разобрать и найти на схеме точки, где напряжение еще не выпрямлено.
- Нужно взять провод большего сечения и подобрать число витков путем расчета. Как вариант, медную проволоку Ø1.5 мм в эмалевой изоляции.
- Понадобится организовать охлаждение элемента.
Проверку работоспособности индуктивного водонагревателя автор демонстрирует в своем видео, представленном ниже. Испытания показали, что агрегат требует доработки, но конечный результат, к сожалению, неизвестен. Похоже, что умелец оставил проект незавершенным.
Как собрать индукционный котел
В этом случае дешевую китайскую плиту разбирать не нужно. Суть в том, чтобы сварить по ее размерам котловой бак, руководствуясь пошаговой инструкцией:
- Возьмите стальную профильную трубу 20 х 40 мм с толщиной стенки 2 мм и нарежьте из нее заготовок по ширине панели.
- Сварите трубки между собой по длине, стыкуя меньшими сторонами.
- Сверху и снизу к торцам герметично приварите железные крышки. Сделайте в них отверстия и поставьте патрубки с резьбами.
- К одной из сторон прикрепите сваркой 2 уголка, чтобы они образовали полку для индукционной печки.
- Покрасьте агрегат термостойкой эмалью из баллончика. Подробнее процесс сборки показан в видеоролике.
Окончательная сборка и запуск заключается в монтаже котла на стену и его врезке в систему отопления. Варочная панель вставляется в гнездо из уголков на задней стенке бака и подключается к электросети. Остается заполнить систему теплоносителем, стравить воздух и включить нагрев индуктора.
Здесь вас подстерегает та же проблема, что встречалась с предыдущей моделью. Несомненно, индукционный нагрев будет работать, но его мощности 2.5 кВт хватит для обогрева парочки небольших комнат при морозе на улице. Осенью и весной, когда температура не опустилась ниже нуля, самодельный котел сможет отопить площадь 35—40 м². Как его правильно подключить к системе, смотрите в очередном видеосюжете:
Индукционный нагреватель: достоинства и недостатки
У индукционных электронагревателей имеются следующие сильные стороны:
| Вихревые токи помимо тепла генерируют еще и вибрацию, которая препятствует оседанию накипи на стенках нагревательного элемента. Вследствие этого индукционные котлы не требуют очистки. | |
| Нагревательный элемент такого котла представляет собой обычную трубу, которая разогревается вихревыми токами. В условиях перманентной циркуляции теплоносителя по трубе, она физически не может перегореть. В отличие, например, от традиционного электрического ТЭНа. Как следствие, ремонт или замена нагревательному элементу вряд ли потребуются. | |
| Даже сделанный своими руками вихревой генератор тепла герметичен. Подогрев теплоносителя происходит внутри цельнометаллического нагревательного элемента. При этом энергия транслируется нагревателю дистанционно через электромагнитное поле. Благодаря отсутствию разъемных соединений в индукционных котлах полностью исключены протечки. | |
| Индукционный котел практически бесшумный, хотя нагревательный элемент при работе может вибрировать. Но частота таких вибраций очень далека от диапазона воспринимаемых человеческим ухом звуковых волн. | |
| Конструкция обогревателя собирается из доступных и недорогих деталей, поэтому готовый прибор имеет очень низкую себестоимость. | |
| Индукционная схема нагрева воды очень эффективна, долговечна и надежна. Она позволяет даже отказаться от установки в систему циркуляционного насоса: теплоноситель будет циркулировать по трубам под действием тепловой конвекции, нагреваясь на выходе из котла практически до парообразного состояния. |
Однако, индукционный нагреватель не лишен и недостатков:
| Электромагнитное поле увеличивает температуру не только нагревательного элемента, но и других объектов окружающего пространства, в том числе и тканей тела человека. Поэтому для собственной безопасности нужно держаться от такого устройства как можно дальше. | |
| Прибор во время работы потребляет электричество, а это достаточно дорогой источник энергии. | |
| Теплоотдача нагревателя столь высока, что всегда сохраняется риск детонации прибора вследствие перегрева теплоносителя. Снизить риск подобного развития событий можно установкой датчика давления. |
Как сделать вихревой индукционный нагреватель своими руками
Порядок сборки индукционного нагревателя такой:
| 1. Берется толстостенная полимерная труба, к торцам корой монтируются два вентиля для присоединения разводки. При этом обратка должна оказаться снизу. | |
| 2. Перед установкой верхнего вентиля в трубу засыпается рубленая металлическая проволока, которая заполняет все внутреннее пространство. Рекомендуемый диаметр проволоки — 5-6 мм, длина рубленых отрезков произвольная. | |
| 3. Вокруг трубы наматывается медная проволока (не менее 90 витков). |
Вот и все, два компонента системы готовы: это индуктор — катушка из медной проволоки, и нагревательный элемент — полимерная труба, заполненная обрезками проволоки. Дело за малым — подключить их к генератору и наслаждаться результатом.
Самый доступный и дешевый генератор для индукционного нагревателя — сварочный инвертор. Медная проволока просто соединяется с его полюсами, и котел начинает работать в режиме высокочастотного переменного тока. При этом индуктор излучает электромагнитное поле, вихревые токи раскаляют обрезки проволоки, и вода в полимерной трубе закипает буквально за секунды, давая старт тепловой циркуляции в разводке.
Безусловно, индукционный нагреватель, собранный из сварочного инвертора и полимерной трубы, заполненной обрезками проволоки, вряд ли будет работать очень эффективно. Однако даже с помощью такого нагревательного прибора можно отапливать достаточно большие площади
Учитывая, что агрегат самодельный, обращаться с ним нужно очень осторожно, строго следуя рекомендациям по безопасному использованию
Что же такое индукционный котел?
Индукционные системы отопления начали использовать в 80-х годах прошлого столетия на промышленных предприятиях. Бытовые же приборы появились только в середине девяностых годов. За последние десятилетия они были доработаны, и в их конструкцию были внесены некоторые обновления, однако, принцип их работы остается неизменным.
Название данных отопительных систем и приборов уже само по себе говорит о том, что в основе их функционирования лежит электромагнитная индукция. Суть принципа работы состоит в том, что если через проволоку достаточно большого диаметра в сечении, накрученную в виде катушки, пропустить переменный ток, то вокруг этой первичной обмотки создается мощное электромагнитное поле. Если в этом поле окажется проводник, то в нем будет наводиться (индуцироваться) напряжение. Ну а если силовые линии поля пересекают расположенный в нем сердечник из сплава, обладающего магнитными свойствами, то получается своеобразный короткозамкнутый контур. И за счёт появления на нем блуждающих токов Фуко, происходит очень быстрый и сильный нагрев этого материала.
Простейшая схема принципа работы индукционного нагревателя
Такой принцип широко используется, например, в сталелитейной промышленности. Нашли ему применение и для быстрого и высокотемпературного нагрева воды. Понятно, что в качестве сердечника в этом случае будет выступать труба или иной канал, по которому циркулирует теплоноситель.
А самый доступный для понятия пример индукционного нагревателя представляет собой проволоку, намотанную на трубу, изготовленную из диэлектрика, которая будет изолировать магнитный сердечник, помещаемый в ее внутреннее пространство.
Проволочная катушка подключается к электропитанию и создает электромагнитное поле. В результате воздействия переменного электромагнитного поля металлический стержень-сердечник будет нагреваться, передавая тепло теплоносителю, который затем поступает в трубы и радиаторы отопительного контура. В качестве теплоносителя в автономных системах отопления может быть использовано масло, вода или этиленгликоль.
Вместо сердечника, в современных котлах для теплообмена задействован целый лабиринт каналов и труб. Их стенки, выполненные из ферримагнитного сплава, обеспечивают большую площадь контакта с водой и оттого — очень интенсивный нагрев циркулирующего по ним теплоносителя
Это, конечно, очень упрощенное объяснение. В индукционных котлах промышленного производства в теплообменный ферромагнитным сердечником может являться целый лабиринт труб или каналов, а нередко, например, в вихревых нагревателях, в этом процессе задействован и корпус прибора.
Один индукционный котел правильно выбранной мощности способен обеспечить нагретым теплоносителем несколько контуров разветвленной системы отопления. Естественно, при грамотной расстановке коллекторов и циркуляционных насосов.
В системах отопления небольшой протяженности теплоноситель, нагреваясь, будет подниматься вверх, и создавшегося естественного давления обычно бывает достаточно для его естественной циркуляции. Если же отопительная магистраль довольно длинная и разветвлённая, завязана на коллекторы с дальнейшим распределением потоков теплоносителя по отдельным контурам, то в систему устанавливают один или несколько циркуляционных насосов, так как без них требуемого перемещения теплоносителя будет добиться невозможно.
Индукционный котел отопления своими руками
Для сборки такого нагревателя нам понадобится сварочный инвертор, генерирующий сварочный ток силой не менее 15 Ампер, высокочастотного типа, с плавной регулировкой силы тока. Именно этот прибор будет источником переменного электрического тока высокой частоты, питающего индуктор.
Отопительный индукционный котел своими руками
В роли индуктора выступит витая медная «пружина» намотанная на корпус сердечника. Причем контакты проволоки нужно соединить с клеммами инвертора, избегая спаек и скруток. То есть, отрезок проволоки, используемый для формирования сердечника должен иметь достаточную длину. Количество витков обычно равно 50, а диаметр проволоки, как правило, равен 3 миллиметрам.
В роли сердечника выступает обычная полимерная труба, изготовленная из сшитого полиэтилена или полипропилена – эти сорта пластмасс выдерживают максимально высокую температуру. Пропускной диаметр трубы-сердечника должен равняться 50 миллиметрам, а толщина стенок не может быт меньше 2,5-3 миллиметров. Тогда этот сердечник можно использовать в роли калибра, на который навивают медную проволоку, формируя индуктор.
Нагревательным элементом такого котла будет наполнитель полимерного сердечника – рубленые отрезки нержавеющей проволоки диаметром 7 миллиметров. Причем длина отрезком не может быть менее 5 сантиметров.
Сборка котла: обзор процесса
Сам процесс сборки всех этих компонентов в единую систему выгладит следующим образом:
Индукционный нагрев теплоносителя
- Вначале вы берете отрезок полимерной трубы, фиксируете его и наматываете поверх будущего сердечника 50 витков 3-миллиметровой медной проволоки.
- Далее вы обрезаете торцы сердечника, оставляя по 7-10 сантиметров от края проволоки на отводы.
- На следующем этапе вы монтируете на нижнем отводе уголок. Причем боковое ответвление этого фитинга будет использовано в роли патрубка для обратки разводки системы отопления. Причем на сгоне обратки нужно установить шаровой вентиль, перекрыв который можно демонтировать сердечник из разводки, без слива теплоносителя.
- После установки нижнего фитинга вы заполняете сердечник рубленой проволокой, стараясь уложить ее максимально плотно. Ведь в роли водонагревателя выступает именно проволока.
- Далее вы монтирует на верхнем патрубке тройник. Этот фитинг используют для отвода разогретого теплоносителя в напорный контур разводки. Причем отвод можно реализовать и по верхнему, и по боковому ответвлению, используя свободный патрубок тройника под монтаж предохранительного клапана. И, разумеется, подключение тройника к напорной ветви разводки реализуется посредством шарового вентиля.
- После этого можно смонтировать всю конструкцию в корпусе – металлическом или полимерном шкафу, установив в его нижней части сварочный инвертер. Причем для доступа к панели управления инвертором в корпусе шкафа вырезают особое окно.
- В финале нужно прикрепить проволоку на клеммы инвертора и залить воду в сердечник.
Безопасность котла: общие рекомендации
Такой котел будет работать не хуже заводского. Но помимо производительности фабричный вариант хорош еще и совей безопасностью.
Поэтому, изготавливая индукционный котел своими руками, нужно руководствоваться еще и следующими правилами, повышающими общий уровень безопасности в системе отопления:
Вихревой индукционный нагреватель «ВИН»
- Во-первых, в верхний тройник стоит врезать предохранительный клапан, стравливающий лишнее давление. Иначе, при выходе из строй циркуляционного насоса, сердечник котла попросту лопнет под давлением пара.
- Во-вторых, инвертер включается в сеть только через УЗО – устройство защитного отключения, срабатывающее в критических ситуациях.
- В-третьих, котел, а точнее сварочный инвертер, нужно заземлить, выводя кабель на особый металлический контур, смонтированный в грунте за стенами сооружения.
- В-пятых, индукционный котел – это источник очень сильного электромагнитного поля, поэтому такую установку нужно держать подальше от жилых помещений и вольеров с домашними животными.
Руководствуйтесь этими рекомендациями и ваши индукционные котлы будут служить вам не хуже заводских изделий!
https://youtube.com/watch?v=F6yIXht5gks
Особенности эксплуатации
Самодельная сборка нагревателя – это лишь половина дела
Не менее важное значение имеет правильная эксплуатация получившейся конструкции. Изначально, каждый такой прибор представляет определенную опасность, поскольку он не способен самостоятельно контролировать уровень нагрева теплоносителя. В связи с этим, каждому нагревателю требуется определенная доработка, то есть установка и подключение дополнительных контрольных и автоматических устройств
В связи с этим, каждому нагревателю требуется определенная доработка, то есть установка и подключение дополнительных контрольных и автоматических устройств
В связи с этим, каждому нагревателю требуется определенная доработка, то есть установка и подключение дополнительных контрольных и автоматических устройств.
В первую очередь выход трубы оборудуется стандартным набором устройств, обеспечивающих безопасность – предохранительным клапаном, манометром и приспособлением для отвода воздуха. Следует помнить, что индукционные водонагреватели будут нормально работать лишь при наличии принудительной циркуляции воды. Самотечная схема очень быстро приведет к перегреву элемента и разрушению пластиковой трубы.
Во избежание подобных ситуаций, в нагревателе устанавливается термостат, подсоединенный к устройству аварийного отключения. Опытные электротехники используют для этих целей терморегуляторы с температурными датчиками и реле, отключающие цепь при достижении теплоносителем заданной температуры.
Самодельные конструкции отличаются довольно низкой эффективностью, поскольку вместо свободного прохода, на пути воды имеется препятствие в виде частиц проволоки. Они почти полностью перекрывают трубу, вызывая повышенное гидравлическое сопротивление. При нештатных ситуациях возможны повреждения и разрыв пластика, после чего горячая вода непременно приведет к короткому замыканию. Обычно такие нагреватели используются в небольших помещениях, в качестве дополнительной системы отопления в холодное время года.
Отопительная система – важная составляющая любого дома. Её можно назвать «сердцем» жилища, ведь именно тепло формирует уют и атмосферу. Рынок изобилует различными видами газовых котлов, потому что они считаются самыми эффективными. Однако газовая магистраль может быть расположена довольно далеко, поэтому в данном случае электрическое оборудование выходит на первый план. Довольно популярны индукционные котлы. Достоинством этого типа обогрева является то, что индукционная печь из сварочного инвертора без проблем изготавливается своими руками. На основе вихревых током можно сконструировать также индукционный нагреватель для металла, взяв за источник тока сварочный инвертор.
Инструкция по изготовлению индукционного нагревателя
Чтобы осуществить переделку сварочного оборудования в индукционную печь, необходимо подготовить расходные детали и инструменты
Также важно подготовить чертежи и придерживаться инструкции по сборке
Простое изделие на основе сварочного инвертора
Для изготовления простого, но эффективного нагревателя, можно использовать сварочный инвертор. Процесс изготовления достаточно простой:
- Для начала нужно взять толстостенную полимерную трубку.
- С торцевой части трубы стоит установить разводку и 2 вентиля, а внутрь засыпать куски стальной проволоки небольшого диаметра и размера (5 мм).
- Закрепить верхний вентиль.
- Выполнить 90 витков медной проволокой для сборки индуктора.
В качестве генератора используется сварочный аппарат, а роль нагревателя играет трубка с проволокой. Аппарат устанавливается в режим переменного тока с повышенной частотой.
В процессе нагрева происходит излучение магнитного поля и прогревание проволоки вихревыми потоками. Это вызывает закипание жидкости.
Экспериментальная модель нагревателя мощностью 1600 Вт
Для сборки экспериментального оборудования мощностью 1,6 кВт потребуется подготовить металлическую трубу с толстыми стенками. Поскольку катушка без особых сложностей сможет прогреть любой материал, можно усовершенствовать нагреватель.
Корпус можно изготовить из пластиковой трубы, которая обладает большим диаметром, чем элемент системы отопления. Оптимальная длина изделия составляет 1 м, а внутреннее сечение — 50-80 мм.
Чтобы подключить нагреватель к оборудованию, потребуется закрепить переходники сверху и снизу корпуса. Нижняя секция закрывается решеткой, а затем внутрь корпуса помещают наполнитель из небольших металлических частиц.
Для обмотки подходит медный провод с изоляцией сечением 1-1,5 мм. Использование более толстой проволоки неоправданно, поскольку это усложнит плотное расположение витков.
Печь для нагрева металла
Из-за повышенной пожарной безопасности метод индукции применяется в металлургии. Собрать нагреватель для обработки металлических заготовок можно из подручных средств. Для предстоящих работ потребуется подготовить:
- 12-вольтный аккумулятор.
- Медную обмоточную проволоку.
- Пленочные конденсаторы.
- Транзисторы и диоды.
- Кольца блока питания от персонального компьютера.
Индукционная печь из сварочного инвертора.
Последующая сборка производится по такой инструкции:
На радиаторы охлаждения устанавливаются транзисторы. Во время использования прибор интенсивно нагревается, поэтому лучше подготовить крупные радиаторы.
Изготавливаются дроссели. Для их сборки применяют медную проволоку и кольца блока питания ПК
Важно следить, чтобы межвитковое расстояние оставалось идентичным на каждом отрезке.
Собирается конденсаторная батарея. Емкость элемента питания должна составлять 4,7 мкФ.
Изготавливается обмотка
Диаметр медной проволоки должен составлять 2 мм. Потребуется выполнить 8 витков, чтобы во внутреннем пространстве поместились все обрабатываемые детали.
На последнем этапе подключается аккумулятор. Ток регулируется во время изготовления печи. Для этого достаточно поменять количество витков.
Кроме того, следует предусмотреть систему отвода тепла и вентиляции, т.к. во время работы печь сильно нагревается.
Нагреватель для воды
Использование такого агрегата в частном доме позволит организовать бесперебойную подачу ГВС или обогрев помещения. Система расходует много электрической энергии, но обладает простой схемой сборки и отсутствием сложностей в обслуживании. Предстоящая сборка начинается с подготовки:
- Сварочного инвертора.
- Теплоизолятора (подойдет керамзит).
- Проволоки из меди и стали.
- Отрезка пластиковой трубы с толстыми стенками.
- Трубок разного диаметра.
На первом этапе начинается изготовление котла. Его можно соорудить из 2 трубок разного сечения, которые вставляются друг в друга с выдерживанием зазора 20-25 мм.
Дальше производится приваривание концов колец и подсоединение к общей системе отопления. Во внешнюю стенку нужно вварить выходную и входную трубки.
Затем изготавливается обмотка, которая в точности повторяет форму котла. Всего нужно выполнить 35-40 витков, соблюдая равное межвитковое расстояние.
На последнем этапе собирается защитный корпус, который делается из диэлектрического материала, и подключается инверторный аппарат и теплоноситель.
Правильно собранная конструкция сможет прослужить в течение 20-25 лет без ремонта и замены расходных деталей.
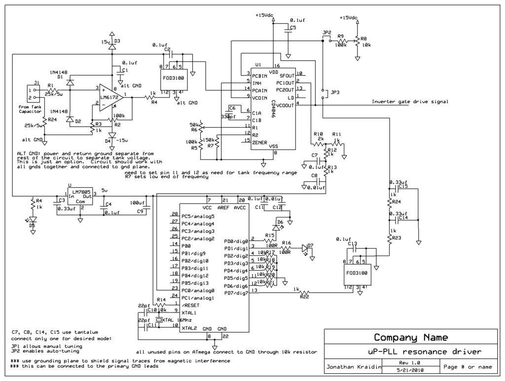
Шаг 3: Драйвер

Эта схема действительно большая. Вообще, вы можете прочитать про простой маломощный инвертор. Если вам нужна большая мощность, вам нужен соответствующий драйвер. Этот драйвер будет останавливаться на резонансной частоте самостоятельно. После того, как ваш металл расплавится, он останется заблокированным на правильной частоте без необходимости какой-либо регулировки.
Если вы когда-либо строили простой индукционный нагреватель с чипом PLL, вы, вероятно, помните процесс настройки частоты, чтобы металл нагревался. Вы наблюдали за движением волны на осциллографе и корректировали частоту синхронизации, чтобы поддерживать эту идеальную точку. Больше не придется этого делать.
В этой схеме используется микропроцессор Arduino для отслеживания разности фаз между напряжением инвертора и емкостью конденсатора. Используя эту фазу, он вычисляет правильную частоту с использованием алгоритма «C».
Сигнал емкости конденсатора находится слева от LM6172. Это высокоскоростной инвертор, который преобразует сигнал в красивую, чистую квадратную волну. Затем этот сигнал изолируется с помощью оптического изолятора FOD3180. Эти изоляторы являются ключевыми!
Далее сигнал поступает в PLL через вход PCAin. Он сравнивается с сигналом на PCBin, который управляет инвертором через VCOout. Ардуино тщательно контролирует тактовую частоту PLL, используя 1024-битный импульсно-модулированный сигнал. Двухступенчатый RC-фильтр преобразует сигнал PWM в простое аналоговое напряжение, которое входит в VCOin.
Как Ардуино знает, что делать? Магия? Догадки? Нет. Он получает информацию о разности фаз PCA и PCB от PC1out. R10 и R11 ограничивают напряжение в пределах 5 напряжений для Ардуино, а двухступенчатый RC-фильтр очищает сигнал от любого шума. Нам нужны сильные и чистые сигналы, потому что мы не хотим платить больше денег за дорогие мосфеты после того, как они взорвутся от шумных входов.
Купить детали на Алиэкспресс
|
Приборы, осуществляющие нагрев за счет электричества, а не газа, безопасны и удобны. Такие нагреватели не производят копоти и неприятного запаха, но потребляют большое количество электроэнергии. Отличный выход — собрать индукционный нагреватель своими руками. Это и экономия средств, и вклад в бюджет семьи. Существует много простых схем, по которым индуктор можно собрать самостоятельно. Для того чтобы было легче разобраться в схемах и правильно собрать конструкцию, нелишним будет заглянуть в историю электричества. Способы нагрева металлических конструкций электромагнитным током катушки широко используются в промышленном изготовлении бытовых приборов — котлов, нагревателей и плит. Оказывается, можно сделать рабочий и долговечный индукционный нагреватель своими руками.
Принцип работы устройств
Принцип работы устройств
Знаменитый британский ученый XIX века Фарадей в течение 9 лет проводил исследования, чтобы преобразовать магнитные волны в электричество. В 1931 году наконец было совершено открытие, получившее название электромагнитная индукция. Проволочная обмотка катушки, в центре которой находится сердечник из магнитящегося металла, создает магнитное поле под силой переменного тока. Под действием вихревых потоков сердечник нагревается.
Открытие Фарадея стали применять как в промышленности, так и при изготовлении самодельных моторов и электронагревателей. Первую плавильню на основе вихревого индуктора открыли в 1928 году в Шеффилде. Позже по тому же принципу обогревали цеха заводов, а для нагрева воды, металлических поверхностей знатоки собирали индуктор своими руками.
Схема устройства того времени действительна и сегодня. Классический пример — индукционный котел, в составе которого имеются:
- металлический сердечник;
- корпус;
- тепловая изоляция.
Особенности схемы для ускорения частоты тока следующие:
- промышленная частота в 50 Гц не подходит для самодельных приборов;
- прямое подключение индуктора к сети приведет к гулу и слабому нагреву;
- эффективное нагревание осуществляется при частоте 10 кГц.
Сборка по схемам
Собрать индуктивный нагреватель своими руками может любой человек, знакомый с законами физики. Сложность устройства будет варьироваться от степени подготовленности и опытности мастера.
Существует множество видеоуроков, следуя которым можно создать эффективное устройство. Практически всегда необходимо использовать такие основные составляющие:
- стальная проволока диаметром 6−7 мм;
- медная проволока для катушки индуктивности;
- сетка из металла (для удержания проволоки внутри корпуса);
- переходники;
- трубы для корпуса (из пластика или стали);
- высокочастотный инвертор.
Этого будет достаточно для сборки индукционной катушки своими руками, а ведь именно она находится в основе проточного водонагревателя. После подготовки необходимых элементов можно подходить непосредственно к процессу изготовления аппарата:
- нарезать проволоку на отрезки в 6−7 см;
- металлической сеткой покрыть внутреннюю часть трубы и засыпать проволоку доверху;
- аналогично закрыть отверстие трубы снаружи;
- намотать на пластиковый корпус медную проволоку не менее 90 раз для катушки;
- вставить конструкцию в систему отопления;
- с помощью инвертора подключить катушку к электричеству.
По похожему алгоритму можно легко собрать индукционный котел, для чего следует:
- нарезать заготовки из стальной трубы 25 на 45 мм со стенкой не толще 2 мм;
- сварить их друг с другом, соединяя меньшими диаметрами между собой;
- приварить железные крышки к торцам и просверлить отверстия для патрубков с резьбой;
- сделать крепление для индукционной печки, приварив с одной стороны два уголка;
- вставить варочную панель в крепление из уголков и подключить к электросети;
- внести в систему теплоноситель и включить нагрев.
Многие индукторы работают на мощности не выше 2 — 2,5 кВт. Такие обогреватели рассчитаны на помещение 20 — 25 м²
Если генератор используют в автосервисе, можно подключить его к сварочному аппарату, но важно учитывать определенные нюансы:
- Необходим переменный ток, а не постоянный как у инвертора. Сварочный аппарат придется исследовать на наличие точек, где напряжение не имеет прямой направленности.
- Количество витков к проводу большего сечения подбирается математическим вычислением.
- Потребуется охлаждение работающих элементов.
Как выполнить собственными руками?
Предположим, вы решили сделать персонально индукционный нагреватель, для этого готовим трубу, в неё сыпем маленькие куски проволоки из стали (9 см по длине).
Труба может быть пластиковой или железной, основное, с толстенными стенками. Потом, она закрывается специализированными переходниками с каждой стороны.
Дальше, на неё накручиваем медную проволоку до 100 витков и располагаем по центральной части трубки. В результате выйдет индуктор. К данной обмотке подключаем выходную часть преобразователя напряжения. Как помощник прибегаем к термостату.
В качестве нагревателя выступает труба.
Готовим генератор и всю конструкцию собираем.
Сопутствующие материалы и инструменты:
- проволока из нержавейки или катанка (диаметр 7 мм);
- вода;
- аппарат инверторного типа;
- провод из эмалированной меди;
- металлическая сетка, имеющая небольшие отверстия;
- переходники;
- труба с толстыми стенами из пластика;

Подробное руководство:
- Режим проволоку на кусочки, длиною 50 мм.
- Готовим оболочку для нагревателя. Применяем толстостенную трубу (диаметр 50 мм).
- Днище и верх корпуса закрываем сеткой.
- Готовим индукционную катушку. Медным проводом делаем намотку на корпус 90 витков и располагаем их в самом центре оболочки.
- Из трубопровода вырезаем часть трубы и устанавливаем индукционный котёл.
- Катушку объединяем с преобразователем напряжения и заполняем котёл водой.
- Заземляем получившуюся конструкцию.
- Проверяем систему в работе. Без воды задействовать нельзя, так как может расплавиться труба из пластика.
Из инверторного сварочного аппарата

Очень простым экономным вариантом считается изготовление индукционного нагревателя, применяя аппарат инверторного типа:
- Для этого берём полипропиленовую трубу, стены её обязаны быть толстыми. С торцов собираем 2 вентиля и подключаем разводку.
- Засыпаем в трубу кусочки (диаметр 5 мм) проволоки из металла и собираем верхний вентиль.
- Дальше, делаем 90 витков вокруг трубы медной проволокой, приобретаем индуктор. ТЕНОМ считается труба, генератором применяем инверторный аппарат.
- Прибор должен стоять в режиме электрического тока с большой частотой.
- Подключаем медную проволоку к полюсам аппарата для сварки и проверяем работу.

- Открытые участки конструкции, для безопасности, необходимо изолировать.
- Использование индукционного нагревателя рекомендовано только в закрытых отопительных системах, где обустроен насос для циркуляции носителя тепла.
- Конструкцию с индукционным нагревателем устанавливают на 800 мм от поверхности потолка, 300 – от мебели и стен.
- Установка прибора для определения величины давления обезопасит вашу конструкцию.
- Нагревательное устройство лучше всего оборудовать системой автоматического управления.
- Прибор для нагрева к электрической сети следует подключать специализированными переходниками.
Выводы и рекомендации
Мы намеренно представили варианты индукционных водонагревателей несложной конструкции, чтобы каждый желающий мог сделать подобный агрегат своими силами. Но остался вопрос, нужно ли заниматься этим делом и тратить собственное время. На этот счет есть ряд объективных соображений:
Конечно, вы можете обойтись без дорогих покупок, досконально разобраться в конструкции и смастерить индукционный нагреватель с нуля. Но выполнить все бесплатно не получится, ведь потребуется приобрести комплектующие для схемы. Заметьте, что бонусы от подобного отопительного агрегата невелики, так что всерьез браться за его изготовление с целью обогрева частного дома нецелесообразно.



















![Простой индукционный котел своими руками [лайфхак]](https://clusterwin.ru/wp-content/uploads/c/0/9/c0966119a5546d8f711dfbec3b4d7fbd.jpeg)

















