Как происходит резка бетона

Для резки бетона используются инструменты, чья мощность начинается от 4200 кВт. Частота вращения диска составляет 4700 оборотов в минуту и выше. Если резак не соответствует этим требованиям, он все равно справится с работой по бетону. Но такому агрегату понадобится больше времени и больше усилий – со стороны мастера.
Техники распила
Бетон обрабатывается двумя способами:
Мокрый способ
Методика предполагает поступление воды к месту распила. Жидкость поступает через трубки, которые присоединяются к защитному кожуху. Вода выполняет две важных функции – охлаждение диска и подавление пыли. Использование водяного ресурса сокращает время, затрачиваемое на операцию. Специалисту не нужно делать частые перерывы для рассеивания пыли. Также вода увеличивает срок эксплуатации бензореза.
Сухой способ
Технология не использует воду в процессе обработки бетона. Во время работы сухим способом мастер надевает защитные очки и респиратор – в целях безопасности. Перерыв делается через каждые 30 секунд. Он необходим инструменту для того, чтобы не перегреться. Распил материала «всухую» допускается только при небольших объемах работы. Способ может сочетаться с поливом участка распила водой вручную. Какой техникой распила бетона Вы пользуетесь чаще?
МокройСухой
Вопрос о том, какой метод выбрать зависит от инструмента. Одни модели бензорезов рассчитаны на работу сухим способом, другие подразумевают мокрый.
Модели с мокрым методом распила бетона стоят дороже, поскольку включают дополнительную деталь. Приобретать такие инструменты целесообразно в тех ситуациях, когда планируются долгосрочные операции с бетоном.
Правила обработки
Они опираются на схожие принципы:
- Рез проводится только по прямым линиям.
- Для правильного проведения разреза на материал предварительно накладывается разрезка.
- Распиливание производится на максимальных оборотах двигателя, которые достигаются при соприкосновении инструмента с материалом.
- Бензорез удерживается двумя руками. Режущая кромка должна соприкасаться с обрабатываемой поверхность плавно – в противном случае ход инструмента будет непредсказуем.
- При разрезе металлического или бетонного объекта недопустимо давление. Применение силы приводит к заклиниванию диска из-за перегрузки прибора.
- Канавка прорезается за несколько подходов. Первый разрез не должен быть глубоким при работе с габаритными деталями. Бензорез не сможет ровно распилить бетонную плиту за один раз.
- При распиле следует закреплять детали – во избежание их непредвиденного смещения. Габаритные заготовки располагаются так, чтобы вероятность защемления режущей насадки была минимальной.
- В процессе работы не допускается использование дисков для шлифования.

Правила работы бензорезом с бетоном и с металлом схожи.
Советы по работе с бетоном
В большинстве случаев бетон распиливается ручным цепным бензорезом. Внешне он напоминает бензопилу и схож с ней по методу обращения. Преимущество бетона перед металлом заключается в низкой теплопроводности. Бетонные плиты не разогреваются так же быстро, как металлические пластины под действием инструмента.
Распиливание бетона предполагает несколько тонкостей:
- При работе с бетонными конструкциями, толщина которых больше 10 сантиметров, необходимо подбирать особые диски. Такие материалы являются армированными и режутся по специальной технике.
- Перед тем, как приступить к обработке материала, выполняется «разминка». Мастер выполняет надрез, глубина которого не превышает 1 сантиметра. Так он сможет определить приблизительный период, который уйдет на распил.
- В целях упрощения врезки по линии распила закрепляется деревянный брусок. Он играет роль линейки, которая не дает инструменту уходить в сторону. Такая процедура особенно важна при распиливании больших конструкций.
Режущие насадки

Распиливание бетона производится посредством стальных дисков. Их кромка покрывается алмазным напылением, что позволяет работать с камнем. Преимущество алмазного напыления заключается в защите от перегрева. Для работы по металлу мастера пользуются абразивными кругами.
Режущие насадки обладают следующими особенностями:
Направление вращения влияет на быстроту износа детали. Информация о правилах применения насадок указывается производителем.
Насадки делятся на две группы в зависимости от условий использования – для мокрого или для сухого способа.
Инструкция по эксплуатации
Резчик по бетону и металлу крайне опасный инструмент – вращающийся алмазный диск легко становится причиной серьезных травм или смерти.
Правильно экипируйтесь, посмотрите обучающее видео, изучите инструкцию – она обычно идёт в комплекте.
Производители не рекомендуют проводить сложное обслуживание вне дилерских или специализированных центров, это касается и самостоятельного внесения изменений в конструкции устройств.
Обязательно надевайте средства защиты во время работы
Шлем, наушники, респиратор и перчатки не устраняют риск травм, но могут снизить их фатальность и сделают работу более комфортной.
Соблюдайте правила пожарной безопасности – выхлопные газы мотора сильно нагреты и могут содержать искры, если вы работаете в непроветриваемых помещениях или рядом с горючими материалами, они могут вызвать возгорание.
Не забывайте уделять своё внимание своевременной проверке и обслуживанию устройства.. Придерживаясь этих простых правил вы обезопасите себя и окружающих, и продлите долговечность и эффективность использования
Придерживаясь этих простых правил вы обезопасите себя и окружающих, и продлите долговечность и эффективность использования.

Сбор и регулировка оборудования
- штуцер предварительно проверяется на дефекты. При их наличии поверхность обрабатывается обычным напильником. В противном случае редуктор, установленный на штуцер с дефектом, может «травить», то есть понемногу пропускать газ;
- затем производится установка редукторов: синего — на кислородный баллон, красного — на пропановый. При этом следует убедиться в исправном состоянии прокладок из резины, а также отсутствии на вентилях следов жира или масла;
- шланги в соответствии с направлением резьбы (левосторонней или правосторонней) устанавливаются на редукторы и резак при помощи хомутов, находящихся в комплекте поставки оборудования. Перед их монтажом следует убедиться в отсутствии повреждений на их поверхности;
- клапаны обратного удара монтируются на соответствующие штуцеры резака.
Схема сборки газового резака
После сборки оборудования его необходимо настроить, проверив при этом исправность. Порядок действий при этом следующий:
- подача ацетилена проверяется открытием соответствующего вентиля на 1 поворот кисти руки. При этом давление не должно превысить уровень в 1 атмосферу. Оптимальное давление, которые рекомендуется устанавливать при помощи регулирующего клапана — 0,34-0,54 атмосферы;
- после этого следует продуть шланг открытием клапана на резаке до звука выходящего под давлением газа;
- аналогичным образом осуществляется настройка давления кислорода. Для него рекомендуемый уровень составляет 1,7-2,7 атмосфер;
- после этого производится продувка шланга последовательным открытием заднего, а затем переднего из двух вентилей, регулирующих количество подаваемого кислорода.
Все необходимые инструкции по сборке и настраиванию оборудования содержаться в комплекте поставки. Их требуется внимательно изучить и соблюдать при работе с резаком, которой достаточно просто научиться.
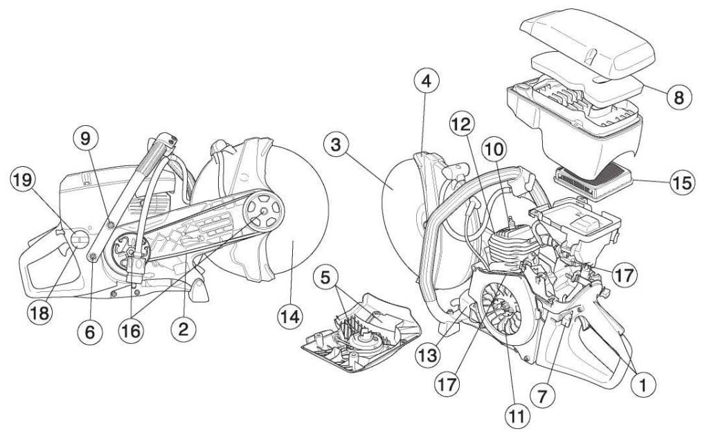
Конструкция бензореза
Устройство бензореза не отличается сложностью. Основными его конструктивными элементами являются:
- двигатель внутреннего сгорания (ДВС);
- топливный бак;
- рабочая насадка (диск для резки материалов);
- передняя и задняя рукоятки;
- стартер;
- корпус;
- карбюратор;
- кнопка газа;
- система воздухоочистки, состоящая из фильтров;
- зажигание;
- кожух, выполняющий защитные функции;
- дроссельная заслонка.

Инструмент оснащается преимущественно двухтактными моторами. Они работают на топливе, представляющем собой смесь бензина с маслом в определенном пропорциональном соотношении. Передача вращательного движения от двигателя к диску происходит за счет ремня.
Многоступенчатая очистка воздуха препятствует попаданию пылевых частиц внутрь карбюратора и цилиндра. Система водяного охлаждения режущего элемента, которой оснащена часть моделей, также препятствует образованию пыли. Вдобавок она предотвращает перегрев диска, что замедляет его износ и продлевает срок службы. Подача воды в зону реза осуществляется из бачка.
Модификации, вес которых превышает 15 кг, дополнительно комплектуются тележками для облегчения их транспортирования. При этом часть из них может управляться дистанционно. Также у некоторых моделей встречаются ножки, позволяющие при резке устойчиво установить инструмент.

Рабочие насадки бензореза могут быть диаметром 30-40 см. Отрезные диски бывают алмазными или абразивными. Рабочие насадки первого типа изготавливают из стали, которую покрывают алмазным напылением. Последнее повышает устойчивость диска к износу.
Под бензорезом у сварщиков подразумевается аппарат другого устройства, имеющий бак под топливо, насос, горелку, кислородный и бензиновый шланги. Газовый резак используют только, чтобы работать с металлическими заготовками и металлоконструкциями.
Особенности резки
Резак надо вести плавно вдоль линии разреза и следить за углом наклона, который отклоняется на 5—6 градусов против движения инструмента. При толщине металла более 0,95 м отклонение увеличивают, прорезав металл на глубину около 20 мм, угол отклонения опять уменьшается. Как резать резаком, чтобы срез был ровным, мы уже подробно объясняли в предыдущем разделе.
Сколько расходуется газа
Расход газов при резке металла пропаново-кислородным резаком, зависит от толщины конструкции и конфигурации разреза. Для наглядности приводим расположенную ниже таблицу:
| Размер заготовки (толщина), мм | Время на отверстие, сек | Размер разреза (ширина), мм | Расход, на м3 реза | |
| пропана | кислорода | |||
| 4,0 | 5—8 | 2,5 | 0,035 | 0,289 |
| 10,0 | 8—13 | 3,0 | 0,041 | 0,415 |
| 20,0 | 13—18 | 4,0 | 0,051 | 0,623 |
| 40,0 | 22—28 | 4,5 | 0,071 | 1,037 |
| 60,0 | 25—30 | 5,0 | 0,087 | 1,461 |
Расход газов существенно снижается, когда выполняется наплавка или пайка.
Нюансы
Главная задача исполнителя — правильно выдерживать скорость:
- нормальный режим — искры летят под прямым углом относительно поверхности заготовки;
- малая скорость — разлет от исполнителя и угол менее 85 градусов.
После окончания процесса вначале перекрывается подача кислорода, а пропан — отключают в последнюю очередь.
Т. Н. Ишкулов, образование: ПТУ, специальность: сварщик пятого разряда, опыт работы: с 2005 года: Исполнителям, впервые выполняющим резку при помощи кислородного оборудования, надо помнить, что начинать новый разрез после внезапной остановки надо с другой точки, а не там, где был процесс окончен».
Негативная деформация

- при неравномерном нагреве поверхности;
- была выбрана высокая скорость движения резака;
- произошло резкое охлаждение места нагревания.
Чтобы исключить возникновение перечисленных факторов на заготовки, их предварительно надежно закрепляют и прогревают, а скорость наращивают постепенно. Если же коробление всё-таки произошло, то вернуть первоначальную форму можно при помощи обжига или отпуска, а листы править на вальцах.
Опасность обратного удара
При неправильном режиме горения струи происходит хлопок и пламя втягивается вовнутрь изделия, что приводит к взрыву, т. к. огонь распространяется по шлангам и доходит до емкостей с газами. Чтобы предотвратить опасную ситуацию, резак оборудуется обратным клапаном, который отсекает пламя и не допускает его распространения.
Правила использования
Они аналогичны технике безопасности при проведении сварки, но имеют специфические дополнения:
- Средствами защиты пренебрегать не рекомендуется, т. к. это приводит к получению травм в виде ожога кожи или повреждения роговицы глаз разлетающимися искрами, поэтому обязательны очки и перчатки с длинными раструбами до локтя.
- Одежда и обувь исполнителя изготавливается из негорючего материала.
- Баллоны с газами располагаются не ближе пяти метров от места проведения резки.
- Пламя резака направляется только в противоположную от шлангов сторону.
- Резка производится в помещениях, оборудованных сильной вентиляцией или на открытых площадках.
При длительном простое оборудования нужно провести профилактические работы, прежде чем использовать резак по назначению.
Husqvarna K 760 Cut-n-Break — от 108 482 руб.

Уникальный хускварновский бензорез режет в глубину до 400 мм. Подойдет для строителей, кто много нарезает дверных и оконных проемов. Но и цена кусается — поэтому придется посчитать выгоду от использования такого инструмента. Но это дешевле чем использовать большую стенорезную машину — такой аппарат компактнее, и алмазные диски на него меньше и поэтому дешевле. Что касается технической стороны — все добротно, качественно и надежно. Есть функция мокрой резки. Характеристики Husqvarna K 760 Cut-n-Break
| Характеристика | Значение |
| Вес, кг. | 11,1 |
| Глубина реза, мм. | 400 |
| Скорость вращения, об./ мин. | 4400 |
| Мощность, л.с. | 5 |
| Диаметр диска, мм. | 230 |
| Диаметр посадочного места, мм. | 20 |
| Уровень шума, дБ | 113 |
| Разработка/ производство | Швеция |
На следующем видео можете увидеть технологию последовательной резки оконного проема с помощью этой модели:
https://youtube.com/watch?v=quy4DbOuiWM
А вот тот же ролик, но снятый в живую. Не так доступно, но зрелищно:
ЭКСПЛУАТАЦИЯ БЕНЗОПИЛ.
4.1.Расконсервацию мотопилы производить в теплом помещении при температуре не ниже 15-20°С в следующем порядке: 4.1.1.Вывернуть свечу, снять глушитель и карбюратор / не отсоединяя трос управления газом/; 4.1.2.В цилиндр и картер через отверстие под свечу зажигания и всасывающий патрубок цилиндра залить 50-100 см3 чистого бензина и провернуть коленчатый вал на 10-15 оборотов, чтобы удалить масло из цилиндра и картера; 4.1.3.Промыть свечу, глушитель и карбюратор в бензине, просушить их и поставить на место. Снять смазку с наружных поверхностей остальных деталей и узлов пилы тряпкой, смоченной бензином и протереть насухо. При расконсервации пилы не допускать попадания масла, бензина в вентилятор, на детали магнето, на провод высокого напряжения и гнездо для конденсатора.
Преимущества и недостатки
Преимущества резки металла пропаном перед другими способами очевидны:

Схема сборки ручного резака для резки стали.
- Применяется газовая резка, когда нужно разрезать довольно толстый металл или что-то вырезать по шаблонам, когда требуется криволинейный рез, который попросту невозможно сделать той же болгаркой. Газовый резак незаменим, если возникла необходимость вырезать диск из толстого металла или пробить глухое отверстие на 20-50 мм.
- Малый вес и удобство в использовании газового резака – еще одно неоспоримое достоинство. Кто работал с бензиновыми аналогами, знает, насколько они тяжелы, неповоротливы и шумны, сильно вибрируют, заставляя оператора прилагать значительные усилия при работе. Газовые модели лишены всех этих недостатков.
- Кроме того, резка металла газом позволяет работать в 2 раза быстрее, нежели при использовании устройства с двигателем на бензине.
- Пропан стоит гораздо дешевле не только бензина, но и других газов. Поэтому его выгодно использовать при больших объемах работ, например, при резке стали на металлолом.
- Кромка среза при пропановой резке немного хуже, чем при использовании ацетиленовых резаков. Тем не менее срез получается гораздо чище, чем у бензиновых горелок или болгарки.
Единственным минусом газовых резаков (пропановых в том числе) можно считать ограниченность спектра металлов, которые с их помощью можно резать. Им под силу только низко- и среднеуглеродистые стали, а так же ковкий чугун.

Кислородно-пропановая установка для пайки и сварки.
Резать газом высокоуглеродистые стали невозможно, потому что температура их плавления довольно близка к температуре пламени. В результате окалина не выбрасывается в виде столпа искр с обратной стороны листа, а смешивается с расплавленным металлом по краям разреза. Это не дает кислороду добраться вглубь металла, чтобы его прожечь. При резке чугуна процессу мешают форма зерен и графит между ними. (Исключение составляет ковкий чугун). Алюминий, медь и их сплавы газовой резке тоже не поддаются.
Следует напомнить, что к низкоуглеродистым сталям относятся марки от 08 до 20Г, к среднеуглеродистым – марки от 30 до 50Г2. В обозначениях же марок углеродистых сталей впереди всегда ставится буква У.
Топ-10 лучших бензорезов
В рейтинг вошли лучшие модели от ведущих мировых производителей.
Stihl TS 800
Абразивно-отрезная машина с глубиной пропила до 145 см. Инструмент используется в строительстве, при ремонте промышленного оборудования и спасательных операциях. Бензорез Stihl TS 800 построен на базе бензинового двигателя мощностью 6,8 л. с. Стартер с демпфирующим элементом ElastoStart позволяет запустить силовую установку одним рывком. Многослойный воздушный фильтр обеспечивает выведение частиц пыли наружу, что сохраняет показатели мощности.
Круг отрезной диаметром 40 см используется при резке асфальта, камня и бетона. Для охлаждения бензореза предусмотрен штуцер для подачи воды, обеспечивающий влажный рез. Руки оператора защищены благодаря продуманной антивибрационной системе. Топливный бак рассчитан на 1,2 л бензина. Декомпрессионный клапан существенно снижает тяговое усилие, затрачиваемое на запуск.
Stihl TS 760
Ручная профессиональная модель бензореза для резки натурального камня, кирпича, бетона, керамической плитки. Агрегат оснащен двухтактной бензиновой силовой установкой мощностью 6,5 л. с. (4800 Вт) и объемом 111 см³. Скорость вращения шпинделя достигает 8400 об/мин, при номинальной нагрузке — 4600 об/мин. Инструмент комплектуется режущим диском диаметром 400 мм, обеспечивающим глубину пропила 145 мм.
Для защиты от искр предусмотрен легкий металлический кожух, который настраивается оператором перед работой. Рукоятка для удержания инструмента имеет современный эргономичный дизайн. Буферные элементы предотвращают передачу вибрации от двигателя на руки, что экономит силы при работе. 3-ступенчатая система фильтрации обеспечивает чистый воздух в рабочей зоне. Вес модели — 15,4 кг.
Stihl 420
Легкая ручная модель с двухтактным бензиновым двигателем мощностью 4,4 л. с. Для быстрого запуска устройства предусмотрен специальный износостойкий тросик. Инструмент режет твердые материалы 35-сантиметровым кругом на глубину 12,5 см. Работать можно алмазным диском для резки металла, поскольку пыль убирается специальным устройством для подачи воды. Антивибрационная система делает эксплуатацию бензореза максимально комфортной.
Поскольку мотор оснащен продувкой, расход топлива снижается, а количество вредных выхлопов минимизируется. Воздушный фильтр с циклонной системой сепарации воздуха не требует постоянной очистки, что способствует увеличению его срока службы на 1 год. Для защиты рук оператора, располагающихся на 2 удобных рукоятках, используется легкий и прочный магниевый кожух.
ECHO CSG-680
Модель бензореза оснащена двухтактным одноцилиндровым двигателем максимальной мощностью 4,08 л. с. Диаметр диска — 355 мм. При применении втулки можно использовать диски с посадкой 22 мм. Карбюратор диафрагменного типа позволяет удобно работать в любом положении. Скорость вращения диска регулируется с помощью дроссельного курка. Уровень вибрации снижает резиновая изоляция между мотором и рукояткой.
Двойная система фильтрации быстро удаляет пыль в любых условиях. От летящих искр оператора защищает специальный кожух. В нижней части устройства расположен резиновый экран, обеспечивающий безопасность ног. Для быстрого доступа к воздухоочистителю инструмент оснащен затяжным винтом. Конструкция предусматривает удобную систему натяжения приводного ремня.
Hitachi CM75EBP
Бензорез по металлу, камню, бетону и другим твердым покрытиям. Двухтактный бензиновый двигатель мощностью 5,3 л. с. обеспечивает частоту вращения шпинделя до 4200 об/мин. Высокая производительность сочетается с экономичным расходом топлива и минимальным выбросом токсичных газов. Модель бензореза комплектуется 355-миллиметровым диском с максимальной глубиной реза 160 мм.
Система водного охлаждения делает работу с инструментом комфортной и безопасной. Для защиты оператора на рабочий диск установлен специальный металлический кожух. Эргономичная рукоятка обеспечивает удобный и надежный хват. Воздушный фильтр защищает от пыли стартер и компрессионную систему. Топливный бак рассчитан на 1,1 л бензина. В комплект поставки входит встроенный держатель для аксессуаров.
Сфера использования инструмента
Бензорезы предназначены не только для резки бетона или металла, с их помощью распиливают также и другие твердые материалы:
- камень;
- асфальт;
- кирпич;
- плиты из композитов;
- комбинированные материалы (например, трубы из железобетона);
- шлакоблок и подобные.

Инструментом широко пользуются строители (включая дорожных) при проведении различных ремонтно-строительных мероприятий, например:
- при демонтаже различных конструкций;
- при вырезании проемов в стенах либо перегородках;
- резке железобетонных либо металлических труб или балок;
- укладке бордюра и тротуарной плитки;
- во время штробления перегородок под электрический кабель проводки;
- при ремонте железнодорожных магистралей и автомобильного дорожного покрытия.

Аналогичные операции с помощью техники выполняют и в быту.
Основным преимуществом бензорезов перед электрическими угловыми шлифовальными машинами (болгарками), разными специализированными видами пил является их независимость от внешних источников питания. Автономность делает их востребованными у дачников.
Техническое обслуживание
Ниже приводятся некоторые общие инструкции по регламентному обслуживанию. Если у вас появятся дополнительные вопросы, следует обращаться к вашему дилеру.

Указания по обслуживанию
Ежедневное
- Проверьте безопасность работы деталей ручки газа (ручка газа и блокиратор пускового газа).
- Проверьте натяжение приводного ремня.
- Проверьте состояние лезвия и ведущего колеса.
- Проверьте состояние щитка лезвия.
- Проверьте стартовый аппарат и стартовый шнур и очистите снаружи воздухозаборник стартового аппарата.
- Проверьте затяжку гаек и болтов и подтяните в случае необходимости.
- Проверьте работу контакта остановки.
Еженедельное
- Проверьте, очистите или замените пластиковый фильтр.
- Проверьте ручки и виброгасящие элементы, чтобы они не были повреждены.
- Прочистите свечу зажигания. Проверьте зазор 0,5 мм.
- Осмотрите стартер и возвратную пружину. Прочистите межреберное пространство на маховике.
- Прочистите охлаждающие ребра цилиндра.
- Проверьте, чтобы глушитель был прочно закреплен и не был поврежден.
- Проверьте установку холостого хода и отрегулируйте его, если это необходимо.
Ежемесячное
- Проверьте бумажный фильтр.
- Проверьте центр муфты сцепления, ведущее колесо и пружины сцепления на предмет износа.
- Очистите снаружи карбюратор.
- Осмотрите топливный фильтр и топливный шланг. Замените его в случае необходимости.
- Проверьте то, что топливная крышка и ее прокладка не повреждены.
- Осмотрите все провода и соединения.
Обратите внимание на показатели эргономичности, а также на удобство бензореза
Бензорез – инструмент, имеющий достаточно большую массу, поэтому при выборе на его вес однозначно стоит обратить своё внимание. Более лёгкая модель обеспечит лучшее управление и меньшую усталость рук
Другим важным параметром считается обтекаемость, она влияет на манёвренность бензореза.
Не забудьте посмотреть в сторону ручки агрегата, очень хорошо, если их будет 2. При этом расстояние между ними должно быть достаточно удобным и ровняться ширине плеч
Также обратите внимание на качество гашение вибрации. Будет здорово, если на ручки нанесут специальный эластомер, который обеспечит гашение колебаний
Не забудьте о различных насадках бензореза.
Рейтинг бензорезов
Для правильного выбора рекомендуется предварительно познакомиться с моделями, которые пользуются большой популярностью. Лучший бензорез стоит выбирать из следующего списка:
- Stihl TS 420 . Низкая вибрация и удобная форма рукояти разрешает работать в любом положении.

Husqvarna K 760 . Бензорез бензиновый быстро справляется с поставленными задачами в самых экстренных ситуациях.

Makita DPC 6431 . Усиленный алюминиевый кожух при низкой вибрации.

Partner K 750 . Корпус модели укороченный, что помогает контролировать процесс.

Hilti DSH 900-X . Обладает мощным мотором, усиленным защитным кожухом.

Hitachi CM75EAP . Самый дешевый инструмент. Подходит для резки металла.

Echo CSG-680 . Бензорез ручной с автоматической системой опережения зажигания.

Wacker Neuson BTS 635 S . Простой аппарат с прочным корпусом и хорошей пыле- и влагозащитой.

Oleo-Mac 983TTA-14 . Подходит для полупрофессионального использования.

Solo 881-14 . Достоинство – его легкость и хорошая развесовка. Технически сложный аппарат.

Как пользоваться бензорезом?
Первое, что нужно знать при работе с инструментом специального назначения – соблюдение техники безопасности
Важно использовать следующие средства защиты:
- очки и маска;
- наушники;
- каска;
- одежда из плотной ткани;
- закрытая обувь и перчатки.
Предварительно важно проверять инструмент на наличие возможных повреждений. Правильный порядок запуска бензореза выглядит следующим образом:
- инструмент располагают на ровной поверхности;
- рычаг переводят в рабочую зону;
- открывают воздушную заслонку;
- заводят двигатель резким движением за ручку стартера;
- наполовину прикрываем воздушную заслонку для работы на холостых оборотах;
- отпускают рычаг заслонки и нажимают на кнопку пуска.

Правила работы с бензорезом
Для проведения качественного и безопасного использования важно придерживаться следующих рекомендаций:
При проведении сухой резки нужно следить, чтобы диск не перегревался. Стоит каждые 2 мин
делать остановку.
Полноценная и компактная циркулярная пила должна иметь защитный кожух.
Важно помнить, что бензорез предназначен исключительно для прямой резки.
Кромка пильного диска должна плавно касаться рабочего материала. Движения не должны быть резкими и с сильным нажатием.
Работу начинают после того, как инструмент набрал нужные обороты.
Надрезы делают не глубокими, чтобы не допустить защемления диска.
Шлифовать изделия рабочим диском запрещено
Это приведет к образованию трещин и разрушению режущего края.
Правильное положение бензореза – сверху над рабочей поверхностью.
Что можно резать и какой расход
Бензорез не подходит для твердых высокоуглеродистых сплавов. Но в работе с мягкими металлами он обеспечивает ровный и относительно быстрый рез
. Горелка справляется с заготовками толщиной от 3-х до 200 миллиметров.
Как видим, расход достаточно малый. Поэтому даже если вы используете газовый резак как основной инструмент, а бензорез, как вспомогательный, сэкономить карбид точно получится.
Бензорез – что-то среднее между циркуляркой пилой и болгаркой с бензиновым двигателем. Бензорез способен резать бетон, асфальт, трубы, кирпич – всё с чем не справится обычная пила
. В зависимости от модели, пилят в глубину от 95 до 400 мм; большая болгарка с 230 – ым диском едва пропилит 95 мм.Этот инструмент любят строители и спасатели за высокую мощность и независимость от электросети . За пять минут может сделать идеально ровный проем в железобетонной стене без пыли:
Достоинства инструмента на лицо
В этой статье вы найдете обзор популярных моделей и на что обратить внимание при выборе
Таблица основных критериев выбора
| Критерий | Варианты | Описание |
| Тип резки | Мокрая резка | Во время резки подается вода на режущий диск, это обеспечивает бесперерывную работу и щадящее использование диска. Инструмент для мокрой резки дороже и относится к классу профессионального |
| Сухая резка | Вода не подается, поэтому диск подвержен перегреву. Несмоченная пыль забивается в корпус, что снижает ресурс инструмента. | |
| Глубина реза | от 95 до 400 мм. | Глубина реза инструмента должна быть больше глубины, на которую необходимо выполнить рез хотя бы на 10-20 %. Так для резки проема в стене толщиной 15 см. нужен инструмент с резом хотя бы на 17 см. |
| Мощность двигателя | До 6 л.с. (4.5 кВт) | Подойдет для резки металла |
| От 6 л.с. | Резка бетона, железобетона, асфальта, кирпича | |
| Скорость вращения | До 2020 об. Мин | Резка металла |
| Более 2020 об. Мин | Резка бетона, железобетона, асфальта, кирпича | |
| Система очистки | 2, 3 и более фильтра | Как минимум из двух различных фильтров – внешний фильтр будет отсеивать большую часть пыли, тогда как внутренний фильтр будет проводить доочистку поступающего воздуха. Чем больше фильтров, тем больше проживет инструмент. |
Поджигание резака и подготовка металла
- еще раз убедиться в том, что соединения используемой запорной арматуры герметичны и не повреждены;
- очистить рабочую зону в радиусе 4-5 метров от мусора и других способных с легкостью воспламениться материалов и предметов;
- надеть полный комплект спецодежды.
Далее следует открытием клапана ацетилена на резаке и спустить находящийся в камере-смесителе кислород. Затем регулировкой вентиля достигается еле слышный выход газа. Специальная зажигалка подносится к резаку и включается. Перед резаком должно возникнуть пламя небольших размеров и желтого цвета.
Следующий этап — запуск кислорода. Она осуществляется открытием соответствующего клапана до того момента, пока цвет пламени не станет из желтого голубым. Это означает, что количество кислорода достаточное, чтобы полностью сжигался поступающий ацетилен.
Для эффективной работы подача кислорода увеличивается до того момента, когда длина находящегося внутри языка голубого пламени не превысит толщину стали, которую требуется разрезать. Если при работе резака раздается характерное «сопение» или пламя неустойчивое, следует немного сократить объем подаваемого кислорода.
До того, как начать резать металл, его поверхность следует нагреть. С этой целью резак подносят к листу стали так, чтобы внутреннее пламя находилось от него на расстоянии приблизительно 1 см. Нагревание стали выполняется до момента, когда на ее поверхности появляется лужица расплавленного материала.






























![[топ-3] бензорезы для резки бетона: виды, сравнение](https://clusterwin.ru/wp-content/uploads/3/5/1/351d2e12b0ed80f44439bd9040d8183a.png)






