Снегоуборщик с двигателем от бензиновой пилы
Чтобы не раскидывать снег лопатой в зимнее время года, вполне возможно самостоятельно сделать снегоуборщик из бензопилы. Для практической реализации проекта необходим двигатель мощностью около 3 кВт (4,1 л.с.), например, от пилы «Штиль». Кроме привода снегоуборщик состоит из таких узлов и деталей:
- заборного отсека с расположенным внутри шнеком с лопастями;
- ручки;
- рамы;
- выбрасывателя снега.
Все эти узлы видны на следующей фотографии.
Умельцами представлены колесные и оснащенные саночными полозьями модели снегоуборочной техники. Последний вариант более прост в конструктивном плане для воплощения. Вариант конструкции рамы и заборного отсека продемонстрирован на фото далее.
Основные моменты заключаются в подборе пары шестерней и в изготовлении хорошего шнека (показан на фотографии ниже), который будет через цепную передачу приводиться в движение мотором.
Для изготовления корпуса заборного отсека подойдут стальные оцинкованные листы. Лопасти шнека часто делают из толстой резины. В качестве выбрасывателя снега вполне пригодна канализационная труба из пластика.
Пошаговая инструкция для изготовления снегохода из бензопилы «Дружба»
Как уже неоднократно сказано процесс изготовления зависит от выбранного варианта конструкции, чертежа. Есть сложные схемы, но существует один довольно простой вариант с использованием в качестве основы конструкции обычного снегоката. Он подкупает тем, что уже имеется готовая несущая база основания, рулевое управление и вполне удобное сидячее место. Задача состоит в том, чтобы усилить боковые лыжи, а также закрепить на раме двигатель, передаточный механизм и гусеницу.
Поэтапная инструкция сборки:
- В первую очередь необходимо усилить боковые лыжи. Это можно сделать, приварив к ним профиль или трубы. К ним же крепятся опорные подшипники переднего и заднего натяжных валов. Размер усилительного основания зависит от диаметра переднего вала. Для обеспечения наилучшего сцепления нижняя часть вала должна быть на одном уровне с лыжами.
- Следующий этап — изготовление каркаса крепления гусеницы. Он выполняется из уголка и профильной трубы размером 30х30 мм. Длина каркаса берется с расчетом размеров рамы для крепления двигателя с бензобаком в задней части снегоката. Ширина в пределах ширины снегоката.
- Натяжение гусеницы производится при помощи валов. Работает по принципу натяжения цепи в бензопиле. Натяжной вал перемещается при помощи болта, который в свою очередь фиксируется на раме. В качестве натяжных валов можно использовать бескамерные колеса от ручных тележек, катки от сельскохозяйственной техники или изготовить их вручную вырезав из пластика. Также необходимо установить опорные ролики для гусеницы, только уже без натяжного механизма. Изготавливаются они так же как и натяжные. Для обеспечения необходимого зазора и предотвращения смещения роликов на ось устанавливаются вставочные втулки.
- Гусеница изготавливается из транспортерной ленты толщиной не менее 3 мм. На натяжные валы по центру монтируются зубчатые колеса от снегохода «Буран». Лента разрезается на две части и располагается по краям. Между кусками оставляется расстояние соразмерное ширине зубчатых колес. Траки для сцепки можно изготовить из половинок пластиковой водопроводной трубы или профиля из алюминия. Толщина траков рекомендуется более 5 мм. Крепятся траки на болты или клепки. Зазор между траками должен соответствовать шагу зубчатых колес от «Бурана».
- На задней части пока еще снегоката монтируется площадка с двигателем. На ней также устанавливается бензобак. На ведущий вал монтируется приводная звездочка, в свою очередь на двигатель тоже устанавливается звездочка. Передача усилия передается приводной цепью. Для обеспечения натяжения цепи рама с двигателем должны быть подвижной, звездочки должны находиться на одном уровне.
- После закрепления основных частей для обеспечения безопасности при эксплуатации, движущиеся части снегохода закрывают защитными кожухами из металла или пластика.
Мотокультиватор, снегоуборщик, ледобур и буроям своими руками
Мотор из бензопилы отлично подойдет и для создания мотокультиватора, предназначенного для вспашки целины (для легких грунтов). Для работы с плотными и влажными почвами мощности и крутящего момента двигателя скорее всего не хватит, а вот для взрыхления поверхностного слоя и удаления оставшихся в земле корней бурьянов культиватора из бензопилы будет достаточно. Главной деталью устройства является вращающаяся фреза, за счет которой и происходит передвижение техники по участку.

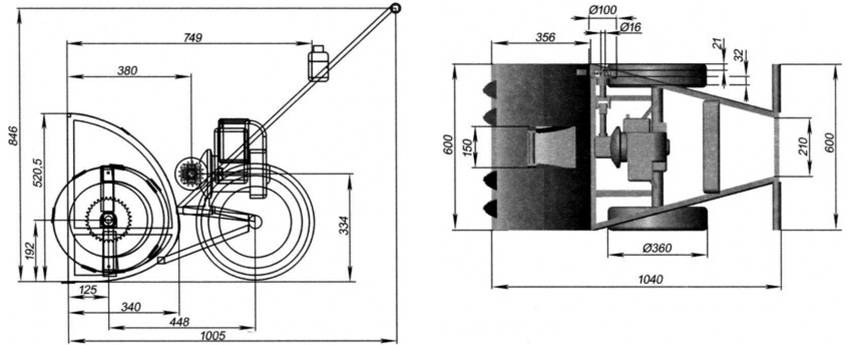
Чертеж снегоуборщика выполненного своими руками с применением бензопилы
Если в культиваторе заменить вал с лемехами на шнек, а также оснастить конструкцию заборным устройством и трубой для откидывания снега, культиватор превращается в снегоуборочную машину. Мотора от любой пилы мощностью 3-5 лошадиных сил будет более чем достаточно для уборки рыхлого снега на участке
Важно только выполнить удобный шнековый механизм. Для этого чаще всего применяются лопасти, изготовленные из толстой резины. В качестве заборного устройства подойдут детали из оцинкованной стали
Выброс снега легко осуществить, установив пластмассовую трубу большого диаметра
В качестве заборного устройства подойдут детали из оцинкованной стали. Выброс снега легко осуществить, установив пластмассовую трубу большого диаметра.
Бурить лед или промерзшую землю ручным инструментом – довольно долгое и физически сложное занятие. Создание мотобура своими руками значительно упростит выполнение этой задачи. В этом случае, помимо мотора, необходимо иметь редуктор, регулирующий количество оборотов в минуту, потому как такого сильного вращения, как у бензопилы, устройству не требуется.
Для создания мото- или ледобура своими руками, первое, что потребуется сделать, – выполнить надежный корпус, представляющий собой усеченную пирамиду, состоящую из двух прямоугольников различных размеров. Понадобятся болгарка, сварочный аппарат и металлические трубы. Именно внутри этой рамы и будет устанавливаться редуктор, соответственно, габариты корпуса напрямую будут зависеть от размеров редуктора.

Буроям из бензопилы станет незаменимым помощников в хозяйстве
Для надежности специалисты рекомендуют в качестве шнека взять деталь от хорошего мотобура, выполненную из прочной стали, потому как низкокачественный материал не выдержит больших нагрузок. Другой важный вопрос – надежное крепление бура, которое можно осуществить при помощи обыкновенной трубы, зафиксированной с двух сторон шпонками или шпильками. Такой способ крепления позволит менять буры или использовать другие приспособления для работы.
Машина
Из бензопил можно сделать разные варианты машин. Один из них — карт багги, который отличается наличием в конструкции подвески. Она делает комфортнее езду машины по бездорожью.
Процесс создания такой самодельной машины сложный. Особенно это касается рамы, которую сваривают из металлических или профильных труб по заранее составленным чертежам. Затем занимаются изготовлением подвески, деталей рулевого управления.
Операции по изготовлению багги включают:
- сборку подвески;
- установку руля, тяг и пускача;
- крепление колес;
- размещение тормоза;
- установку кресла водителя;
- крепление на раму двигателя.
Передать вращение от мотора на колеса можно цепью или ремнем. В первом варианте устанавливают звездочки, во втором — шкивы. Двигатель, чтобы уменьшить шум, снабжают глушителем.
Двое подростков на скутере насмерть разбились в ДТП с КамАЗом в Вологде. Авария произошла 20.06.19 на Московском шоссе, 16, в 15.45. Рядом с телецентром столкнулись КамАЗ и скутер Irbis. На месте ДТП погибли мальчики, 2004 и 2006 г. р., находившиеся на двухколесном транспорте.
За рулем скутера сидел подросток, 2006 года рождения, на пассажирском сиденье — вологжанин, 2004 г. р. Управлял грузовиком 50-летний мужчина.
Известно, что большегруз и скутер ехали в попутном направлении со стороны ул. Можайского», — сообщил «Вологда.РФ» старший лейтенант внутренней службы, сотрудник отдела информации и общественных связей УМВД России по Вологодской области Александр Карпов.
По предварительной информации, грузовик и скутер ехали в сторону выезда из Вологды, подростки ехали по обочине, при повороте КамАЗа направо они врезались в грузовик. Мальчики были без шлемов.
Со слов очевидцев ребята ехали на большой скорости и хотели обогнать КамАЗ справа.
Черкассы
Вертолет
Такая самоделка относится к сложным и поэтому в жизнь на сегодня не воплощена. Она — в мечтах энтузиастов, в придуманных историях. Одна из них утверждает, что еще в СССР заключенный, разбирающийся в механике, сделал вертолет с двигателем от бензопилы и смог убежать из колонии.
Изготовление самодельного вертолета требует, в отличие от снегохода, лодочного мотора, велосипеда, болгарки и даже снегоуборщика, более сложных инженерных расчетов. Они же показывают, что один, даже мощный, двигатель не способен поднять в воздух такой летательный аппарат. Требуется как минимум 4 мотора, причем форсированных и работающих согласованно на максимально возможных оборотах. А реализовать это с двигателями от бензопил на практике затруднительно.
Самоделки из двигателя от стиральной машины:
1. Как подключить двигатель от старой стиральной машины через конденсатор или без него 2. Самодельный наждак из двигателя стиральной машинки 3. Самодельный генератор из двигателя от стиральной машины 4. Подключение и регулировка оборотов коллекторного двигателя от стиральной машины-автомат 5. Гончарный круг из стиральной машины 6. Токарный станок из стиральной машины автомат 7. Дровокол с двигателем от стиральной машины 8. Самодельная бетономешалка
Самоделки из бензопилы видеоподборка (лучшее видео)
1. Транспорт из бензопилы
Мопед из бензопилы Дружба-4
По многочисленным заявкам сделал мопед с двигателем от бензопилы Дружба-4 с электронным зажиганием.Бензопила Дружба-4 имеет объем двигателя 94 см3 и 4 л.с. и она слабее 5-ти сильного двигателя бензопилы Урал.Но максимальную скорость мопед показал практически такую же как и с двигателем от бензопилы Урал Электрон 2т.
Картинг из бензопилы
Автомобиль из бензопилы
Трицикл из бензопилы Урал
2. Самодельная пилорама из бензопилы
Самодельная пилорама из бензопилы
Пилорама из бензопилы двух досок и саморезов от Адваката Егорова
3. Снегоходы из бензопилы
Мотосани из бензопилы
Снегоход из бензопилы
Самодельный детский снегоход с мотором от бензопилы
4. Самодельный лодочный мотор из бензопилы
Самодельный лодочный мотор из бензопилы
Бензопила “Штиль180”, мощность-2л.с., скорость – до10км.ч., расход топлива – 250гр. на 20мин. хода.
Лодочный мотор из бензопилы Урал
Лодочный мотор очень легкий и экономичный.
5. Мотобур из бензопилы
Мотобур из бензопилы stihl своими руками из старой дрели
6. Генераторы электричества из бензопилы
Аварийный генератор 12-24 В из бензопилы или тримера
Генератор из бензопилы своими руками
7. Самоделки для огорода из бензопилы
Косилка из бензопилы
Мотокультиватор из бензопилы Дружба-4
Мотоблок из бензопилы
Окучник из бензопилы ДРУЖБА
Приставка “лебёдка” для бензопил
Сам себе инженер: интересное применение бензопилы
8. Компрессор из бензопилы
Компрессор. Подкачка шин бензопилой
9. Снегоуборщик из бензопилы
Снегоуборщик из бензопилы Урал
Как сделать из бензопилы снегоуборщик
10. Разное
EuroSamodelki.ru – это огромное количество самоделок, которые сопровождаются подробными иллюстрированными инструкциями для самостоятельного изготовления. В нашем каталоге насчитывается уже более 2500 самоделок. Присоединяйтесь к нам, вступайте в нашу социальную группу ВКонтакте. Мы Вас ждем! Сделайте что-нибудь полезное для себя, для своего дома, для своих близких.
Делайте самоделки своими руками как мы, делайте лучше нас!
“>
Болгарка из бензопилы
Самый простой в изготовлении инструмент – болгарка из бензопилы своими руками. (рис. 1) Угловая шлифовальная машинка, переделанная из пилы, обладает рядом весомых преимуществ:

Рисунок 1. Болгарка из бензопилы работает от бензина, а не от сети, так что его можно взять с собой куда угодно.
- автономность: инструмент работает от бензина, а не от сети, так что его можно взять с собой куда угодно;
- мощность: болгарка такого типа по производительности значительно превосходит электрические аналоги;
- цена: стоимость приспособления гораздо ниже, чем болгарки аналогичной мощности.
В продаже сейчас можно найти массу специальных насадок, превращающих бензопилу в болгарку. Их выпускают для установки на инструменты разных марок, так что вы всегда сможете найти ту, которая подойдет именно вам
Нюанс, на который следует обратить внимание: ведущие производители бензопил категорически не рекомендуют использование переходников и насадок для таких инструментов. Это объясняется тем, что шлифовальные диски рассчитаны на скорость работы в 7000 оборотов, тогда как большинство пил дают 13-14 тысяч оборотов в минуту. Такая перегрузка может повлечь за собой разрушение диска, что грозит поломкой инструмента и нанесением физического ущерба, а в худшем варианте – серьезных травм
Такая перегрузка может повлечь за собой разрушение диска, что грозит поломкой инструмента и нанесением физического ущерба, а в худшем варианте – серьезных травм.
Первое, о чем следует позаботиться при создании болгарки, – сведение к минимуму ущерба при поломке диска. Данное требование осуществляется путем оборудования пилы защитным кожухом. Также желательно добиться снижения скорости оборотов. Для этого применяется редуктор скорости вращения либо устанавливается ведомый шкив большего диаметра.

Схема болгарки из бензопилы.
Соединение со шкивом двигателя осуществляется при помощи ременной передачи. Такое инженерное решение позволяет избежать аварий при заклинивании диска в обрабатываемом материале: при его остановке ремень будет проскальзывать на шкиве, не вызывая разрушения режущего инструмента.
Вследствие того, что воздушный фильтр двигателя рассчитан на проникновение древесных опилок, которые не могут причинить значительного вреда, попадание внутрь жесткой строительной пыли может стать критическим и привести к перегреву и поломке инструмента.
Если, невзирая на все перечисленные недостатки, вы все-таки решились на создание болгарки, то используйте для нее только качественные материалы. Защитный кожух можно «позаимствовать» со старого инструмента: так вы получите гарантию, что он не подведет в самый ответственный момент.
При выборе отрезных дисков преимущество следует отдавать материалам диаметром 115 мм. Они рассчитаны на большую скорость вращения, что уменьшает шанс их поломки, по сравнению с дисками на 230 мм.
Инструкция по сборке простой ручной пилорамы
Одним из самых простых и быстрых способов раскроить кругляк на доски является ручное приспособление для продольного горизонтального реза бензопилой на постоянную толщину. Лёгкость, простота и экономия обеспечиваются за счёт отсутствия основания, куда укладывается бревно. Фактически это отдельно взятая режущая часть заводских станков, только приводится в действие она мускульной силой оператора, который ведёт приспособление вдоль ствола, распиливая его. При распиловке бревно достаточно приподнять на козлы или даже просто два бруса по краям.
Описание рамы для бензопилы
Устройство содержит минимальное число деталей. Все они скрепляются сваркой или гаечно-резьбовыми соединениями:
- Станина — представляет собой основу инструмента. Именно к ней крепится бензопила. Выполняется из стального листа толщиной 5 — 8 мм.
- Направляющие — привариваются к станине. На них держится вся конструкция с регулировкой толщины спила. Для них лучше использовать две круглые трубки толщиной не менее 3-х мм.
- Зажимы для шины — одна планка зажима приваривается к станине, другая соединяется с ней двумя болтами. Заведя шину между губками зажимов и затянув их, можно зафиксировать пильную гарнитуру и уменьшить нагрузку на узел крепления шины к бензопиле.
- Каретка — узел, регулирующий толщину срезаемой со ствола доски. Представляет собой две планки с полукруглыми пазами под диаметр направляющих труб. Затягиваются болтами и гайками.
- Опорная площадка — составляет единое целое с кареткой, крепится методом сварки с косынками или кронштейнами. Движется поверх отпиливаемой части, не позволяя полотну отклоняться от заданной траектории. Оснащается рукояткой для удобства удержания.
Изготовление основы
Станина вырезается из стального листа. Её размеры — 160 мм длина и 220 ширина. Удобнее всего это делать плазморезом, но если его в хозяйстве нет, то сойдёт и обычная болгарка. Главное — не забыть снять фаску с заготовки для красоты и безопасности. В пластине сверлятся отверстия для крепления зажимов и самой пилы. Для удержания последней можно сделать прорезь болгаркой, а затем облагородить напильником. Это позволит делать небольшие смещения, регулируя вылет шины на станке.
Самодельный культиватор из бензопилы дружба — Металлы, оборудование, инструкции
Дачники, имеющие в своем владении мотоблок, не знают проблем с обработкой земельного участка, проводя ее быстро и эффективно. Но что делать, если участок земли маленький и покупать дорогостоящую сельскохозяйственную технику дорого. Выходом из ситуации станет модернизация бензопилы в самодельную установку для обработки земли.
Этот недорогой и мощный инструмент, при желании модернизируется в мотоблок, который справляется с возложенными на него обязанностями не хуже специализированной техники. Давайте разберемся, как собрать мотоблок из бензопилы и какие инструменты для этого понадобятся.
Мотоблок из бензопилы: своими руками, мотоцикла, самодельный, Дружба, скутера, коммутатор
Рассмотрим, как сделать мотоблок из бензопилы. Бензопила работает во всех положениях благодаря системе подачи топлива, она очень мощная и неприхотливая.
Как сделать мотоблок из бензопилы
Мотоблок отличается от мультикультиватора, из первого может получиться мини-трактор. Если мотокультиваторы подходят только для рыхления почвы, то усовершенствованные мотоблоки заменяют даже транспортные средства при перевозке различного груза (сена, бревен, корма для скота и т.д.).
Рассмотрим, как изготовить мотоблок своими руками из бензопилы. Для этого нужно потратить время на изучение схемы данной техники и приобретение всех необходимых запчастей.
Имея чертежи самодельной рамы, можно собрать очень мощную технику. При сборке агрегата используются запчасти от скутера, автомобилей, бензопилы Дружба, мотоцикла Урал и пр.
При изготовлении понадобятся слесарные навыки, поскольку вся работа производится вручную.
Конструкция самодельного агрегата выглядит примерно так: мотор — промежуточный вал — колесо. Самодельный мотоблок из бензопилы держится на раме, к которой крепят двигатель и редуктор. Бак для горючего устанавливают на кронштейне. Весь упор агрегата приходится на колеса. В задней части механизма устанавливается рабочее орудие.
Как сделать агрегат из скутера
Рассмотрим, как собрать мотоблок из скутера. Для такой сборки используются:
- мотор скутера (вполне достаточно 4 л.с.);
- предварительно укороченный задний мост от автомобиля Жигули;
- редуктор (от комбайна или другой машины).
Вместо редуктора можно установить две цепные звездочки, которые соединяют двигатель с редуктором, а редуктор с мостом. Вариатор от скутера можно установить на двигатель. Аккумулятор устанавливается над редуктором.
Поскольку у двигателя скутера своя выхлопная система и стартер, машина будет нешумная. В передней части мотоблока можно поставить фару, используя коммутатор. Это облегчит работу в темное время суток, особенно если аппарат приспособлен для транспортировки грузов.
Мотоблок из бензопилы Дружба и Урал
Рассмотрим, как собрать мотоблок из бензопилы Дружба. Сборка агрегата из двигателя бензопилы Дружба очень простая. Мотор нетяжелый и компактный, поэтому раму можно собрать из трубы. На нее кроме двигателя крепятся реверсный редуктор и топливный бак. Изогнутая в верхней части труба служит держателем для управления устройством. На ней устанавливается ручка скорости.
Разберемся, как сделать из бензопилы мотоблок своими руками. Пошаговая инструкция:
- Создается чертеж. Это очень важный этап создания агрегата, без которого изготовить надежную технику не получится. Четко должны быть отмечены все запчасти с местами крепления и обозначены все размеры.
- Создание рамы. Она представляет собой куб, у которого углы равны 32х32 мм. На верхние углы рамы устанавливается мотор, а под ним — топливный бак. Для промежуточного опирания вала спереди устанавливаются вертикальные стойки. А чтобы смонтировать подшипники, понадобятся опоры к продольным углам.
Можно создать самодельный мотоблок из мотоцикла. Это будет более мощный аппарат, для него используется двигатель мотоцикла. Например, подойдет мотор мотоцикла ИЖ.
Поскольку скорость у агрегата невысокая, необходима принудительная система охлаждения.
Самодельный снегоход из бензопилы своими руками
Во время непосредственной сборки снегоката нужно строго придерживаться выбранного алгоритма действий.
Порядок выполнения работ следующий:
- Вначале оператор должен сделать переднюю лыжу. Она должна быть тонкой и, одновременно, максимально прочной. Если лыжа будет слишком толстой, то снегоход не сможет быстро скользить по снегу. Если для ее изготовления использовать слишком тонкие и уязвимые материалы, то она быстро сломается при первом же ударе о твердое препятствие. Лучше всего взять за основу лыжи усиленную ребрами жесткости 3-миллиметровую стальную пластину, которую нужно заранее выпрямить. После этого нужно приварить друг к другу 2 металлических уголка. К передней части пластины потребуется приварить носик, а соединенные ранее уголки прикрепить в средней ее части. Для фиксации уголков их нужно приварить к лыже толстым сплошным швом;
- В задней части снегохода из бензопилы может располагаться колесо или гусеничный механизм, сделанный из транспортерной ленты. Вариант с колесом предпочтительней, так как в этом случае готовый снегокат получится легким и сможет передвигаться на довольно высокой скорости. Для комплектации самоделки подойдет колесо от старой садовой тележки. К нему необходимо приварить уголки, а также установить ведущую и ведомую звездочки от мотоцикла ИЖ на 9 и 43 зуба соответственно В этом случае передаточное число механизма составит 4,7 – этого достаточно для перевозки 3 взрослых людей;
- Третий этап сборки – это изготовление опорной рамы. Для ее конструирования подойдет практически все, что может лежать в гараже. Чаще всего для сборки остова используются профильные трубы, уголки, распорки и стяжки. Главное при изготовлении каркаса – сохранить баланс между его небольшим весом и максимальной прочностью. Опорную раму лучше всего варить исключительно по чертежам. В противном случае возрастет риск появления люфтов и кренов при эксплуатации готового снегохода из бензопилы;
- Последний этап изготовления – монтаж навесных приспособлений. Самодельный снегоход потребуется укомплектовать мягким сиденьем, а также установить в его передней части рукоятку с ручкой газа и рычагом тормоза.
Готовую самоделку лучше всего покрасить. Краска защитит снегоход от влаги, провоцирующей появление ржавчины. После высыхания снегоката его необходимо испытать во дворе. Для этого оператору потребуется проехаться на агрегате по тонкому слою снега. Если во время резких поворотов в конструкции снегохода не появляются люфты и посторонние звуки, значит можно переходить к его активной эксплуатации на открытой местности.





































