Выбор раковины
При совмещении раковины со стиральной машинкой важно найти баланс между удобством и безопасностью. Например, слишком плоские кувшинки максимально компактны, но вода в них застаивается и разбрызгивается
А слишком объемные и глубокие раковины просто не удастся удобно разместить на стиральной машине, высота которой не регулируется.
Габариты
Рекомендуемая глубина раковин над стиральной машиной – от 17 до 20 см. А вот длину и ширину просчитай так, чтобы умывальник выступал за края техники хотя бы на 2-3 см. Этот запас нужен, чтобы на электрооборудование не попадала вода.
Материалы
Классическое решение, когда материал раковины сочетается с остальной сантехникой. Однако современная эклектичная мода допускает разные варианты.
Стеклянные мойки стильные и необычные, но не самые надежные и удобные. Их легко разбить, а при использовании постоянно остаются разводы от воды.
Фаянс – более бюджетная альтернатива фарфору. Это простое и практичное решение, но со временем на поверхности появляются мелкие трещины и пятна. Верхний слой глазури неизбежно изнашивается.
Фарфор изящный и долговечный, но такие раковины тяжелые, поэтому устанавливать их на стиральную машину неудобно.
Натуральный камень еще тяжелее фарфора, и зачастую значительно дороже. Такие умывальники лучше использовать как самостоятельный дизайнерский элемент.
Искусственный камень – отличная альтернатива. Например, литьевой мрамор из полимерного бетона с заполнителями. Он легче, практичнее, проще в обработке, неприхотливее и дешевле, а внешне почти не отличается от натурального.
Защита от перелива
При установке раковины на электрооборудование важно защитить технику от воды. Поэтому устанавливай на стиральные машинки только умывальники с системой слива-перелива
Специальное боковое отверстие спускает воду, если ее становится слишком много. Самые современные модели работают автоматически.
Слив
В умывальниках используются сливы двух типов: вертикальные или горизонтальные.
Вертикальный – эффективнее, он быстрее спускает воду и не дает ей застаиваться. Горизонтальный – компактнее и занимает меньше места в высоту. Как раз его можно отвести в сторону, а не спускать напрямую. Это безопаснее, но готовься регулярно прочищать сток.
Учти, что при отжиме машинка вибрирует и двигается, поэтому нельзя допускать, чтобы она соприкасалась с трубопроводом напрямую. Это верный путь к прорыву.
Плюсы и минусы расположения раковины над машинкой
Раковина над стиральной машиной – это прекрасный способ сэкономить место в маленьком доме или студии. Подобное умное решение позволит освободить площадь и использовать ее для размещения другого оборудования, либо для создания комфортного прохода, например, в коридоре, в котором часто размещают машинки в небольших квартирах. Кроме того декоративная панель обычно подходит интерьеру намного больше, чем стандартный скучный дизайн стиралок.
Однако есть и недостаток в комбинировании раковины с машинкой – повышенный риск использования электроприбора. Дело в том, что специалисты советуют никогда не размещать электрические приборы таким образом, чтобы им грозил контакт с водой. В случае прорыва труб или повреждения раковины, стиральная машина окажется залита водой, которая проникнет в те участки, где в устройстве нет защиты от влаги.
Если произойдет подобная чрезвычайная ситуация, то возможно не только серьезное повреждение оборудование, но и получение пользователем удара током. Чтобы этого не произошло, мастера стараются устанавливать лишь особые раковины с сифоном, установленным ближе к стене, а не к центру чаши. В таком случае протечка не повредит электрическое устройство. Данный тип раковин еще часто называют «кувшинка».
Также отметим, что стиральные машины с обычной высотой 85 сантиметров неудобно встраивать под раковину. В таком случае и к умывальнику не получится подойти вплотную, так как будет мешать панель устройства, и сама высота конструкции может приносить неудобства детям и людям невысокого роста.
3 Подходящие раковины
Стандартный умывальник не подойдет для установки встроенной стиральной машины. Придется приобрести специальную мойку или готовый набор — “автомат” в комплекте с раковиной.
Если выбран первый вариант, то для начала придется измерить машину. Раковина должна быть невысокой, но глубокой. Желательно, чтобы ее высота не превышала 20 см, а глубина была больше глубины стиральной машины хотя бы на 10 см. Умывальник должен выставляться над машиной, чтобы защитить внутренние детали от брызг воды. При этом должно остаться место на подключение слива.
Раковина, под которую устанавливается стиральная машина, называется «кувшинкой» за небольшую высоту. Отверстие слива воды в такой мойке может быть расположено на дне или боковой стенке. Сифон, в отличие от обычных умывальников, находится за задней стенкой агрегата.
Важно выбрать форму раковины, подходящую для интерьера ванной. В магазинах сантехники можно встретить: квадратные, прямоугольные, круглые и другие мойки
К тому же некоторые умывальники оборудованы столешницей. Это удобно, так как можно поставить различные принадлежности для умывания. Но допустимо лишь в том случае, когда в ванной остается свободное пространство.

Умывальник со столешницей
Особенности монтажа стиральной машины под раковиной
Перед установкой на стене делают разметку. Оставляют зазор между чашей и стиральной машиной. Можно выбрать стандартное по высоте устройство, но ширина техники должна быть на 2-3 см меньше ширины раковины.
Сифон устанавливают после монтажа. Его не обязательно крепить по стандартам, поэтому крепят вертикальную конструкцию параллельно стенке.
Патрубок сифона закрепляют хомутом
Приобретают пластиковые или гофрированные трубки. Трубы смазывают силиконом или герметиком.
Установка обеих труб слива присоединяется к канализационной трубе.
Мастера рекомендуют устанавливать трубу для слива с клапаном. Так вода не будет застаиваться в сливе и после стирки не появится неприятного запаха.
Atlant 40М102
- Загрузка: 4 кг
- Высота/глубина/ширина: 84,6/50/60 см
- Класс энергопотребления: A+
- Класс стирки: A
- Класс отжима: C
- Уровень шума при стирке: 59 дБ
- Уровень шума при отжиме: 74 дБ
- Возможности стирки: отмена отжима, предотвращение сминания, замачивание, стирка деликатных тканей, стирка спортивной обуви, стирка спортивной одежды, стирка шерсти, удаление пятен, предварительная стирка, быстрая стирка, дополнительное полоскание
- Дополнительные функции: контроль баланса, отложенный старт, сигнал окончания стирки, контроль за уровнем пены, выбор скорости отжима, выбор температуры стирки, интеллектуальное управление стиркой

Компактная стиральная машина, которая позволяет загрузить до 4 кг белья
Обратите внимание, что по высоте она около метра, так что и раковина будет располагаться высоко — это может быть неудобно, если в семье есть маленький ребенок. Кстати, машину можно купить и в комплекте с раковиной — обойдется примерно на 9000 руб
дороже. А вот системы защиты от протечек у этой модели нет.
В наличии — 15 разных программ стирки, включая быструю за 26 минут. Люк может открываться на 180 градусов, так что слева хорошо бы оставить достаточное свободное пространство. Неплохой вариант от белорусского производителя.
Преимущества и особенности встроенной стиральной машинки под раковиной
Установку техники делают на кухне или в ванной. Производители стараются делать более компактные модели, которые можно скрыть или поставить куда угодно. В красивой ванной, особенно в совмещенных санузлах, мало места, тогда главным фактором при выборе стиралки будут ее габариты. Преимущества встроенной боковой машинки:
- не мешает передвигаться;
- удобно проводить систему канализации;
- можно приобрести совмещенный комплект сантехники;
- пропадает риск попадания влаги в электросеть;
- увеличивается функциональность пространства.
Также при выборе модели нужно учитывать некоторые особенности как стиральной машины, так и умывальника:
- высоту, вместимость машины;
- уровень размещения умывальника;
- их ширину;
- подбор подходящего пространства для установки.
Из недостатков можно отметить малую вместимость белья для стирки, а также то, что нужно часто очищать слив из-за нестандартной формы сифона.
Популярные модели
Наиболее популярной на сегодняшний день стала модель Daewoo DWD-CV701PC. Этой модели стиральной машинки присущи выше сказанные достоинства и недостатки.
Приобретая такой аппарат вы получаете выгоды:
- экономия электроэнергии;
- добавите площадь на кухне или в ванной;
- стирка малыми порциями экономит время.
Вот, что говорят обладатели этой диковинки:
- «Смотрится изумительно, друзья завидуют! Год работает и хоть бы что. Большой стиралкой редко пользуемся, чаще малютку эксплуатируем, живем вдвоем с мужем и нам хватает. Наберется 3-4 вещи, в стирку, отлично выстирывает, все довольны.»
- «Хорошая модель. Два года мечтал и купил, стираю в удовольствие. Машинка поражает миниатюрностью и до удивления простым управлением, рекомендую.»
- «Если оценивать машинку по пяти бальной шкале, то: За изобретение 5(отлично). Дизайн 4(хорошо). Крепежные болты 1(единица). Жильцам с маленькими кухнями идеальный вариант. Вы думаете 3 кг белья мало? Это вам кажется.»
Стиральная машина Daewoo Electronics DWD-CV701 PC с новым конструкторским решением. Во внешнем облике отсутствует сходство с предыдущими моделями. Этот агрегат устанавливается на стену под раковиной или над раковиной.
- ширина – 55 см;
- высота – 60 см;
- глубина – 29.2 см;
- вес машины – 16 кг;
- вес загружаемого белья – 3кг;
- способ загрузки – фронтальный;
- управление – кнопками;
- самодиагностируется;
- шесть программ для стирки;
- скорость отжима – 700 обмин;
- цена 18910 – 20227 рублей.
Использовать такую технику, намного выгоднее, чем полно масштабные стиралки. В первую очередь, экономия на коммунальных расходах: свет, вода. Нет необходимости устраивать большие стирки, когда можно маленькими партиями и каждый день.
Приобрести, маленькую машинку в настоящее время, можно в различных супермаркетах. В Эльдорадо, к примеру, она стоит около 20000 руб. К сожалению, в настоящий момент их там нет в продаже, так как быстро раскупаются. Но если предварительно подать заявку на покупку, то реально можно стать обладателем этой уникальной малютки.
Кроме этой модели, хорошо зарекомендовали себя и другие малогабаритные стиральные машины, например:
- electrolux ewc1350;
- candy aquamatic 2d1140;
- zanussi fcs825c;
Для сравнения приведем некоторые характеристики таких машинок:
electrolux ewc1350. Габариты 50x51x67. Нагрузка – 3кг. Скорость отжима – 1300 об/мин. Цена 34000р.
candy aquamatic 2d1140. Габариты 51x46x70. Нагрузка – 4кг. Скорость отжима – 1100 об/мин. Цена 19000р.
zanussi fcs825c. Габариты 50 х 67 х52. Нагрузка -3.5кг. Скорость отжима 1000 об/мин. Цена 27000- 30000р.
Другие варианты установки
Некоторые варианты размещения вызывают сложности в перестановке или демонтаже мебели. Квартиры в панельных высотках строятся однотипно, поэтому разместить стиралку можно:
рядом с умывальником. Можно приобрести цельную конструкцию, конечно если позволяет бюджет и размеры ванной комнаты. Ванну можно заменить душевой кабиной для экономии места;
Рядом с умывальником
в нише. Размещают под полками в образовавшейся нише за драпировку или шторку;
В нише
в шкафу. В нижней части шкафа для ванных принадлежностей или в шкафу для раковины;
В шкафчике для моющих средств
под кухонной столешницей. Выгодное место для стиралки рядом с холодильником или кухонной раковиной;
На кухне в шкафчиках
вмонтировать в стену. Это делают в любой комнате квартиры. Иногда в стене заранее предусмотрено место для стиральной машины.
Вмонтированный в стену вариант
Что за раковины: цены, типы, размеры
От обычных, раковины над стиральной машиной они отличаются типом слива. Есть 2 варианта:
- Внизу умывальника. Слив также находится и крепится у раковины внизу, только в отличие от обычного сифона, слив этого варианта сразу изгибается и уходит в бок.
- Сбоку раковины. Тут сливное отверстие находится не снизу, а на боковине.
Есть вариант, где машинка устанавливается не под саму раковину, а под её столешницу. Такой тип подходит тем, у кого нет дефицита с местом.
Размер раковин над машинкой обычно 50*60 или 60*60. Такие размеры обусловлены тем, что ширина стандартной стиральной машины составляет около 60 сантиметров. Разница только в глубине. Встречаются нестандартные формы, но это скорее исключение. Изделия со столешницей могут доходить до 1,5 метров в ширину. Цвет и форма изделий тоже могут быть разными. В зависимости от страны производства, формы и цвета различаются цены на изделия.
Самый известный Российский производитель подобных умывальников – фирма Santek. У них изделия популярных размеров (50*60 и 60*60) со сливом внизу. Недорогие, доступные раковины в пределах 5000 рублей. Найти можно в обычном магазине сантехники. Есть и другие российские производители, но они менее известны. Товары зарубежных фирм (например, Польша, Латвия) на порядок дороже. Тут придётся выложить от 10 000 рублей. Да и найти зарубежные товары можно разве что в интернете.
Закладывая в проект будущей ванны подобную конструкцию, стоит оценить все достоинства и недостатки такого решения.
Как установить
Способ установки стиралки под раковину зависит от типа сантехнического прибора.

Раковина-кувшинка
Чтобы установить раковину над стиральной машиной, выполняют следующие действия:
- Размечают линию расположения верхней части бытового прибора. Это основной момент, с помощью которого будет делаться дальнейшая разметка.
- Прикладывают мойку к стене с учетом расстояния между ней и машиной. Величину зазора выбирают на основании типа сливной системы. Установив чашу в нужном положении, отмечают монтажные отверстия. Когда для ванны и мойки используется один смеситель, выбирают излив достаточной длины. Чашу устанавливают ближе к бортику.
- Проделывают отверстия по подготовленной на прошлом этапе разметке. Размер сверла должен совпадать с диаметром анкера. В готовое отверстие вводят крепежный элемент.
- Устанавливают кронштейны. Завинчивают болты, оставляя их в расслабленном состоянии. Это поможет при дальнейшем монтаже раковины.
- Обрабатывают зазор между стеной и умывальником герметиком. Для этого средство наносят на задний край чаши тонкой полоской. Тем же способом обрабатывают части кронштейнов, соприкасающиеся с мойкой. Размещают чашу на креплениях.
- Вводят стальной крюк, поставляемый вместе с сантехникой, в соответствующее отверстие, находящееся на задней стороне. С помощью детали закрепляют раковину на установочном месте, скрепляют соединение винтом. Закручивают болты, удерживающие кронштейны.
- Собирают и монтируют сифон. Места соединений покрывают силиконовым герметиком. Пластиковые гайки закручивают с минимальным усилием, не повреждая их.
- Подсоединяют сливной шланг стирального прибора к специальному отводу сифона. Для фиксации используют винтовой хомут. Подключают сифон к патрубку канализационной трубы. Гофру изгибают коленом, закрепляют входящим в комплект фиксатором или проволокой.
- Монтируют смеситель. Прибор чаще всего навешивают на стену. Сборку выполняют в соответствии с приложенной инструкцией.
- Проверяют правильность монтажа. Открывают воду, оценивая герметичность всех соединений установленного оборудования.
Врезная раковина
При выборе такого варианта чашу вставляют в подготовленное гнездо. Для этого выполняют следующие действия:
- Формируют шаблон, с помощью которого будет вырезаться монтажное отверстие. Некоторые раковины комплектуются таким изделием. Если его нет, шаблон делают своими руками. Для этого размещают раковину на листе картона вверх дном, обводят контур. Вырезают шаблон по линиям.
- Выполняют разметку. Если борта раковины будут возвышаться над столешницей, обводят шаблон, измеряют ширину краев умывальника. Полученный припуск переносят на внутреннюю часть контура. Если борта будут находиться на уровне столешницы, обводят шаблон, не добавляя дополнительной линии.
- Проделывают отверстие. Начинают работу, используя сверло. В полученное отверстие вводят лезвие лобзика, медленно ведут его по контуру. Обрабатывают края посадочного места наждачной бумагой. Шлифуют до получения гладкой поверхности. После этого край покрывают герметиком, тщательно распределяя состав. Наклеивают уплотнитель.
- Наносят второй слой герметика, ставят раковину на столешницу. Покачивая чашу, выбирают правильное положение. Затягивают болты под столешницей, дают герметику затвердеть. После этого можно собрать и поставить сифон. Подсоединяют сливной шланг машины.
После установки смесителя проверяют герметичность и работоспособность оборудования.
Как выбрать раковину над стиральной машиной
С совмещенными моделями долго определяться не придется. Нужно лишь подобрать подходящий дизайн и габариты установки.
При покупке отдельного умывальника нужно искать компактную модель
Альтернативная форма чаши должна быть неглубокой (почти плоский), она сэкономит место для сифона.
Материалы
Бюджетные модели из пластика или фаянса имеют существенный недостаток – производятся по стандартным формам и габаритам.
Вариант с литыми мраморными мойками удобнее, так как форму, габариты и дизайн можно оговорить при заказе.
Мрамор с примесью полимера или бетона неприхотлив к уходу, обладает легким весом. Монтаж любого вида конструкции можно произвести самостоятельно.
Мраморная раковина надежна и прослужит долго
Слив
В вертикальном сифоне не застаивается вода. Он очень редко засоряется, в ванной комнате не наблюдается неприятного запаха.
Вертикальный сифон более практичен
Если выбирать этот вариант слива, то придется пожертвовать размерами стиральной машины. Горизонтальный сифон устанавливают рядом с корпусом машинки. Он безопасен и герметичен, но быстро засоряется.
Слив “стиралки” подводится к трубам под раковиной
Правила безопасности
Не нужно устанавливать розетки под раковиной, рядом с сифоном или у самого плинтуса.
Конструкция чаши снабжается отверстием, предохраняющим от перелива.
Располагается под краном, или немного выше отверстия для слива. Трубка предохранителя совмещается с сифоном.
Подходящие размеры
К месту размещения умывальника прибавляют 4-6 см. Этот запас сантиметров предохранит машинку от попадания влаги на панель и дальнейшей переустановки конструкции раковины в целом. Глубокую приобретать не стоит: монтаж на высоком уровне не вписывается в интерьер.
Схема расчета размеров
Производим замеры
Задумываясь о том, чтобы встроить стиральную машину под столешницу в кухню, необходимо на этой кухне тщательно распланировать пространство, ведь стиралка потребует место, а если учесть размеры кухонь хрущевских домов, то немало места. Для начала расставим точки над «и». Если вы рассчитываете обустроить место, сделать столешницу в кухне со старой мебелью будьте уверены, красиво сделать не получится. Гораздо лучше затеять ремонт на кухне, поменять мебель, а заодно и подготовить место для стиральной машины.

В этой статье мы рассмотрим ситуацию, когда планируется замена мебели на кухне и хозяева захотели встроить уже имеющуюся стиральную машину автомат под будущую столешницу на кухне. С чего вообще начать подготовку к данной работе? А начинать нужно с плана.
- Возьмите лист бумаги, карандаш и ластик. Нарисуйте прямоугольник и отметьте размеры помещения вашей кухни. Если есть какие-то ниши, выступы и другие особенности отметьте их.
- Подумайте и отобразите на плане место расположения наиболее габаритных предметов техники: холодильника, морозильной камеры, посудомоечной машины, электроплиты. Располагайте их с учетом габаритов, рассчитывайте, сколько полезного пространства помещения уже занято.
- На этапе распределения мест для техники подумайте, куда вы бы поставили стиральную машину, чтобы было удобно ею пользоваться.
- Распределив крупную технику, попробуйте оставшееся место оборудовать необходимой мебелью и отобразить идеи на плане. Нужно рассчитать размеры и расположение каждого шкафа и шкафчика, мойки и т.п.
Нишу под стиральную машину нужно рассчитывать тоже очень тщательно. Измерьте точные габариты своей стиральной машины. Не надейтесь на размеры указанные в паспорте, один неучтенный выступ на корпусе и машина может в будущую нишу не встать. Что еще нужно учесть при расчете ниши стиральной машины на кухне под столешницу?
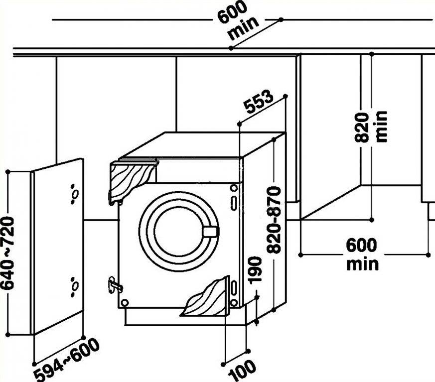
- Глубину ниши под столешницей нужно рассчитывать с порядочным запасом: не менее 10 см от задней стенки машины до стены нужно будет оставить для шлангов и фильтров, передняя панель должна быть полностью утоплена в нишу хотя-бы на 2-3 см.
- Высота стиральной машины регулируется ножками, но высоту самих ножек нужно учитывать при расчете высоты ниши под стиральную машину на кухне. Может получиться так, что придется совсем откручивать ножки, чтобы машина встала в нишу по высоте – так быть не должно.
- Ширина ниши должна быть минимум на 2 см больше ширины корпуса стиральной машины, чтобы была возможность оставить сантиметровые зазоры с боков. Дело в том, что во время отжима на высоких оборотах стиральная машина сильно вибрирует и раскачивается. Если хотите, чтобы вместе с ней раскачивалась вся столешница и весь кухонный гарнитур, можете зазор не делать.
- Конфигурация самой ниши не должна перекрывать беспрепятственный доступ к передней панели стиральной машины. Должны хорошо открываться: люк, кюветка для порошка, люк мусорного фильтра, люк аварийного слива воды. Никакие декоративные планки не должны мешать пользоваться стиралкой.
Готовим место и инструмент
Чтобы в будущем встроить стиральную машину автомат под столешницу на кухне, мало произвести расчеты и нарисовать план. Нужно еще знать технические особенности стиральной машины и особенности подключение ее к коммуникациям.
При подготовке места под стиральную машину нужно позаботиться о доступе ее к воде, к канализации и электричеству. Необходимо вывести отдельную розетку, правильно рассчитав нагрузку, которую создаст машина на электросеть. О том как это сделать прочитайте в статье Как подключить стиральную машину к электричеству. Также нужно организовать подводку от трубы с холодной водой, а также вывод в канализационной трубе или сифоне для слива отработанной воды.
Для того чтобы в будущем стиральную машину подключить к воде, нужно установить кран-тройник на трубу с холодной водой и убедиться, что длины наливного шланга будет достаточно для того, чтобы до этого крана дотянуться. Ну а для организации слива нужно поставить под раковину специальный сифон, имеющий сбоку отвод для подключения сливного шланга. Если у вашего сифона отвод уже есть, то ничего делать не нужно. Убедитесь только, что длины сливного шланга стиральной машины будет достаточно.
Теперь подготовим инструмент. Откроем кладовую и вынем из ящика с инструментами:
- небольшой разводной ключ;
- рожковый ключ на 12 мм;
- строительный уровень;
- ФУМку;
- автомобильный герметик;
- рулетку;
- плоскогубцы.
LG F1096SD3
- Загрузка: 4 кг
- Высота/глубина/ширина: 95/50/60 см
- Класс энергопотребления: A
- Класс стирки: A
- Класс отжима: B
- Уровень шума при стирке: 57 дБ
- Уровень шума при отжиме: 74 дБ
- Возможности стирки: стирка деликатных тканей, стирка шерсти, стирка хлопка, быстро 30, гипоаллергенная, интенсивная 60, одежда малыша, повседневная стирка, полоскание+отжим, смешанный ткани, спортивная одежда, хлопок макс, хлопок+пар
- Дополнительные функции: режимы «Предварительная стирка», «Без складок», «Интенсивная стирка», «Суперполоскание»

Еще одна компактная стиральная машина для установки под раковину, которая по своим возможностям не отличается практически от полноразмерных вариантов техники. В частности, у модели LG, позволяющей загружать до 4 кг белья, имеет инверторный мотор с прямым приводом, функцию очистки барабана и мобильную диагностику Smart Diagnosis. Так что если хотите быть на пике технологий — это подходящий вариант.
Если выбираете стиральную машину, обратите внимание на наши материалы, в которых мы рассказываем об отличиях бюджетных моделей от дорогих и об опциях, которые стоят того, чтобы за них заплатить
Тип, вид и установка
Существует два типа стиральных машинок – классический и встраиваемый, каждый из которых в свою очередь делиться на вертикальный и горизонтальный, или фронтальный вид загрузки белья.
В маленькое помещение совмещенного санузла чаще устанавливают машинки с фронтальной загрузкой. Здесь важным фактором считается оптимальное размещение сантехнического оборудования для установки бытовой техники.
Большим минусом в планировке хрущевских квартир выявляется ситуация с неудачным расположением коммуникационных систем подачи и отведения воды. Перепланировка не всегда спасает, поскольку наряду с демонтажем стен, становится очевидна замена месторасположения разводки.
Рациональный интерьер маленькой ванной комнаты составляют тщательно подобранные угловая сантехника и миниатюрная мебель. Как правило, выбирают прачку классического типа, реже – вариант, встраиваемый в шкаф или тумбу в зависимости от габаритов машинки и полезной площади ванной комнаты.
Параметры бытовых стиральных машин, высота, ширина, глубина, см:
- Стандартный тип вертикальной загрузки – 90х45х60.
- Тип фронтальной загрузки представлен тремя модификациями:
- модель стандартная полноразмерная – 85х60х60;
- модель узкая, неглубокая – 85х60х45;
- модель компактная – 70х50х50.
Установить стандартную модель в маленькое помещение ванной комнаты возможно, если провести не только перепланировку, объединив ванную с туалетной комнатой, но и поменяв ванну на душевую кабину. Плоские машинки устанавливаются вдоль стены в вытянутых помещениях без привязки к другим предметам мебели. Компактные модели подвешиваются, или устанавливаются под столешницей, раковиной, внутрь тумбы, шкафа.





































