Что такое электроподжиг
Что такое механический электроподжиг? Для воспламенения газовоздушной смеси на выходе из конфорки требуется локальный источник высокой температуры, превышающей точку самовоспламенения углеводородного газа. В этом качестве удобно использовать электрическую дугу, возникающую при высоковольтном пробое. После загорания газовой струи температурный режим стабилизируется, а надобность в дополнительном источнике энергии отпадает. Поэтому высоковольтный разряд происходит в течение нескольких мгновений.
Упрощенно принцип действия такого устройства можно описать следующим образом:
- при замыкании цепи подается напряжение на конденсатор, который начинает заряжаться до определенного уровня;
- после накопления необходимой энергии поступает управляющий сигнал на тиристор, направляющий ток на разрядное устройство;
- оно инициирует резкий скачок напряжения на специальном электроде, сопровождаемый дуговым разрядом в непосредственной близости от конфорки, после чего загорается газ.
Принцип действия электроподжига
Надо знать! Короткого времени проскока искры бывает достаточно для запуска процесса горения, при этом расход электроэнергии остается минимальным.
Правила эксплуатации
Газовая плита — главная помощница на кухне любой хозяйки. Но при ее использовании следует строго придерживаться определенных правил эксплуатации:
- При отсутствии электророзжига спичку подносят вплотную к горелке и только после этого открывают кран подачи газа. Необходимо проконтролировать, чтобы огонь горел во всех отверстиях горелки;
- Горение должно быть ровным, без рывков, пламя голубого или фиолетового цвета. В случае, если происходят небольшие вспышки и затухание, необходимо проверить горелку — на нее могла попасть вода или остатки пищи. Если пламя желтоватое, с признаками копоти, следует уменьшить подачу газа, прикрутив горелку;
- Размер посуды должен соответствовать выбранной конфорке, языки пламени не должны выбиваться из-под кастрюли;
- Не включать плиту при снятых горелках. В этом случае сгорание газа происходит не полностью, что может привести к отравлению.
Важно: перед тем как воспользоваться духовкой, необходимо ее проветрить, несколько раз резко открыв и закрыв дверцу. Эта процедура позволит избавиться от накопившегося внутри газа, если по какой-то причине кран оказался открыт или произошла утечка
Ни в коем случае не следует использовать газовую плиту для обогрева помещения, так как это может привести к отравлению угарным газом
Очень важно правильно проводить чистку бытового прибора. Не имеет значения, из чего состоит ваша бытовая газовая плита, имеется ли здесь встроенная автоматика и дополнительная защита от поражения электрическим током, перед чисткой и другими манипуляциями по уходу необходимо отключить технику от сети
Посмотрите видео об установке и подключении газовой плиты
Kovea TKR-9507-С Ceramic Range
Kovea TKR-9507-С Ceramic Range
Плита с керамической конфоркой, работает от баллонов-картриджей. Главное достоинство модели – особая конструкция конфорки. Она выполнена в форме сот, что способствует максимальной теплоотдаче и высокому КПД. Такую плиту можно использовать не только для приготовления пищи, но и для обогрева.
Мощность прибора – 1,2 кВт, вес 1,5 кг. Расход топлива – 125 г/ч. Плита оснащена регулятором пламени. Поставляется в пластиковом кейсе.
Достоинства модели:
- экономичность;
- простота и надежность конструкции.
К недостаткам относят:
сложность в установке маленькой посуды на широкую решетку конфорки.
Для чего нужен газ-контроль в плите
Сегодня многие современные хозяйки предпочитают готовить на газе, так как пламя очень быстро нагревает еду до нужной температуры, а в случае необходимости нагрев можно легко уменьшить.
Большинство бытовых кухонных газовых плит Electrolux снабжено функцией газ-контроль, что позволяет значительно обезопасить процесс приготовления пищи.
Газ может воспламеняться и взрываться, а это уже опасно, потому производители по возможности максимально упростили процесс эксплуатации газовой плиты.
Безопасность вас и ваших близких
Система газ-контроля работает по определённому алгоритму.
Как только возникает утечка газа, то есть, пламя в горелке непреднамеренно гаснет, специальный механизм полностью перекрывает подачу газа внутри духовки, варочной поверхности или кухонной плиты.
Владельцам газовых приборов Electrolux можно совершенно не опасаться за собственную безопасность, так как вся техника бренда, работающая при помощи газа, снабжена современной системой газ-контроль.
С технической точки зрения данный алгоритм реализуется довольно просто. В качестве основных элементов системы выступают электромагнитный клапан, провода и термопара.
Когда он нагревается до определённой температуры, на другом конце термопары возникает небольшой стабильный электрический сигнал. В производстве его чаще всего используют для автоматизации промышленных процессов и для измерения температур.
К чему может привести утечка газа
Стоит иметь в виду, что основным горючим веществом природного газа выступает метан, который считается малотоксичным. Несмотря на это, утечка может привести к образованию в помещении совершенно взрывоопасной смеси. Искусственные газы в отличие от природных содержат значительное количество окиси углерода.
Именно поэтому любая утечка природных газов или их смеси чревата серьёзной угрозой здоровью. Сам по себе газ совершенно не имеет запаха, а потому в его состав специально добавляют одоранты — сильно пахнущие вещества, наличие которых позволяет почувствовать запах и зафиксировать возможную утечку.
Концентрация газа в помещении вполне может достигать таких размеров, когда малейшая искра или даже незначительное повышение температуры может привести к самовозгоранию или взрыву.
Принцип работы системы газ-контроль
Этот принцип реализован и в функционировании всех газовых плит Electrolux, в чём можно убедиться, изучив технические характеристики на сайте. Получаемый с термопары электрический сигнал передаётся в электромагнитный клапан, открывающий или прекращающий подачу газа на определённые горелки.
В этом случае термопару обычно спаивают так, чтобы шарик находился прямо на границе пламени. Сам электромагнитный клапан связан непосредственно с краном газового механизма в конфорке. Как только с термопары поступает сигнал, клапан начинает давить на кран конфорки, поддерживая его в открытом состоянии.
При внезапном погашении пламени термопара остывает практически мгновенно, сигнал на клапан не передаётся, клапан приостанавливает поддержание крана газопровода и он просто закрывается, автоматически перекрывая поступление газа.
Электромагнитный клапан и термопара связаны между собой специальным хорошо изолированным проводом.
После срабатывания механизма газ-контроль розжиг нужно производить заново. При этом есть один маленький нюанс, который присущ практически всем плитам Electrolux с системой газ-контроль. При розжиге для нагрева термопары требуется некоторое время — буквально несколько секунд.
Поэтому после возникновения пламени ручку конфорки нужно подержать во включенном состоянии ещё немного, иначе холодная термопара затушит его сразу же после возгорания.
Это небольшое неудобство в полной мере окупается за счёт гарантии безопасности пользователя, а потому многие выбирают кухонные плиты Electrolux только с системой газ-контроль.
Бывает и так, что система начинает постоянно блокировать подачу газа. Как правило, это может случаться вследствие неправильной эксплуатации. Стоит просто выдержать некоторое время при включении газа, строго следуя инструкции.
Мы рекомендуем использовать только плиты такого типа, чтобы максимально обезопасить себя и своих близких.
Термостат газовой духовки
Для того чтобы духовка работала правильно и пища готовилась в заданном диапазоне температур, внутри шкафа установлен термостат или терморегулятор. Они могут быть механическими, электромеханическими, а также электронными, для контроля заданного режима используется поворотная ручка, кнопка или другие, более сложные и максимально точные устройства. Что же такое термостат в бытовой газовой плите и каким образом он регулирует режим работы духового шкафа?
Схема термостата газовой плиты:
Схема дилатометрического терморегулятора духового шкафа: 1 — трубчатый стержень; 2 — подвижный клин; 3 — шарик; 4 — толкатель; 5 — подпружинный клапан; 6 — пружина.
Как работает терморегулятор газовой духовки
Принцип работы такого термостата очень прост. Дилатометр, фиксирующий повышение температуры в духовом шкафу, нагревается, что приводит к расширению линейного стержня. Он приводит в действие механизм, который, в итоге, воздействует на подпружинный клапан. Чем сильнее был нагрев внутри духовки, тем дальше продвинется подпружинный клапан и больше закроет отверстие для подачи газа. Соответственно, при понижении температуры происходит уменьшение линейного стержня и система работает в обратном порядке, открывая большее отверстие для доступа газа и увеличения температуры внутри духового шкафа.
Термостат газовой духовки
Максимальная температура внутри духовки ограничивается ручкой-переключателем, установленной на передней панели газовой плиты.
Как проверить, исправен ли термостат
Разобравшись, что такое термостат или регулятор температур в газовой плите, необходимо убедиться, что этот прибор работает исправно.
Сильные погрешности в показаниях прибора способны испортить любые кулинарные шедевры. В одном случае пища просто сгорит, в другом — останется сырой. Для проверки термостата лучше всего пригласить специалиста, который с помощью точных приборов выявит любые отклонения в температурных показателях, вплоть до 1 °С. Если же такой возможности нет, а разница в 3-5 °С не имеет большого значения, проверку можно выполнить самостоятельно:
- Включить духовку на режим 150 °С;
- Поместить внутрь духовки механический термометр, предназначенный для измерения температуры в соответствующем температурном диапазоне;
- Оставить включенной духовку на 20-25 минут, пока температура не достигнет нужных показателей;
- Через 20 минут проверить показатели температуры на термометре и термостате. Если разница показателей превышает 5-10 °С, регулятор температур нуждается в ремонте.
Важно: для ремонта газовой плиты необходимо пригласить специалиста, так как проблема может быть не только в испорченном терморегуляторе, но и в ощутимых теплопотерях из-за неплотно прилегающей дверцы
Электрическое управление и система контроля
В самых дешевых плитах электронное управление не предусмотрено – весь процесс регулируется механическим способом. В более дорогих моделях подключают электрическую систему, чтобы задействовать функции электроподжига и освещения духовки, а также управление вертелом.
Конструкция плит с электроподжигом включает свечи, расположенные на корпусе рассекателя. Они мгновенно срабатывают при включении, то есть в момент выхода газа
Некоторые пользователи так привыкли к системе автоподжига, что теряются при отключении электричества и не знают, как включить газ. Делается это просто: ручку управления нужно поставить в рабочее положение, а затем к рассекателю быстро поднести зажженную спичку.
Функция подсветки действует по-разному: у одних духовок она включается нажатием на кнопку, у других – автоматически, при каждом включении духового шкафа.
Очень полезен газ-контроль, работа которого осуществляется термопарой.
Главное назначение термопары – перекрыть подачу газа, если пламя горелки по каким-либо причинам потухнет. Принцип работы: огонь исчезает, температура резко снижается, газ автоматически перекрывается
Самые дорогие модели оснащены электроникой, которая облегчает и процесс готовки, и уход за оборудованием.
С помощью панели с кнопками и дисплеем можно управлять всеми процессами, среди которых могут быть следующие:
- таймер;
- отсрочка запуска;
- паровая очистка духовки;
- несколько режимов приготовления;
- световая и акустическая сигнализация;
- электронный контроль температуры;
- система быстрого охлаждения и пр.
Если плита недорогая, но обеспечена электроникой, стоит задать себе вопрос: а как часто придется обращаться в сервисный центр? Потому что электронная техника, по статистике, ломается гораздо чаще обычной.
Критерии выбора кухонной плиты
Рассмотрим особенности газовых плит, которые не касаются их технических характеристик, а относятся исключительно к конструкции.
Дизайн, наполнение, расположение элементов не менее важны, чем мощность или количество рабочих режимов.
Если вас интересует прибор для сезонного использования на даче, даже не заходите в отдел дорогой техники – портативная плитка с подключением к газовому баллону удовлетворит ваши потребности и прослужит долго
Для постоянного применения необходимо выбирать надежный функциональный агрегат проверенной марки. Для этого можно почитать обзоры и отзывы, в большом количестве размещенные в сети.
При покупке с точки зрения конструкции обратите внимание на такие критерии, как:
- размеры плиты в целом и варочной поверхности в частности;
- объем духового шкафа;
- комплект принадлежностей для духовки;
- расположение панели управления;
- расположение патрубка для подключения к газу;
- возможность замены горелок для работы от баллонного газа;
- количество и размеры конфорок.
Любая неучтенная мелочь в дальнейшем может вызывать дискомфорт и неудовлетворение работой плиты, поэтому постарайтесь все продумать заранее.
Правила эксплуатации и ремонта
Исправность техники и ваша личная безопасность во многом зависит от того, как вы относитесь к оборудованию. Сюда входит правильная установка, бережная эксплуатация, регулярный уход и замена деталей, имеющих ограниченный срок использования.
Вот основные правила пользования газовой плитой:
- регулярно чистить решетку, поверхность плиты, конфорки, ручки управления;
- держать связь с представителями Горгаза и регулярно проводить ТО техники;
- проветривать помещение, даже если используете вытяжку;
- при длительном отсутствии перекрывать кран-отсекатель;
- следить, чтобы ручки находились в состоянии «выкл.», пока плита не используется.
Аккуратно нужно относиться и к эксплуатации духового шкафа. Ему, как и любому оборудованию, требуются чистота и исправность всех деталей.
Не рекомендуют использовать духовку в качестве обыкновенного шкафа для хранения посуды, особенно загромождая ее легко возгораемыми или плавящимися предметами.
Внутри жарочного шкафа должны находится только «рабочие» принадлежности: противни, решетки, приспособления для гриля и посуда или формы, если они участвуют в готовке
Если неисправна вентиляция и нет возможности открыть форточку или окно, пользоваться газовым оборудованием запрещено.
При появлении специфического запаха газа необходимо перерыть кран подачи топлива, распахнуть окна и вызвать аварийную службу. В период ожидания нельзя включать электроприборы, зажигать пламя, а лучше вовсе покинуть помещение. Даже звонок рекомендуется совершать с лестничной площадки или с улицы.
Ремонтом газовой техники должны заниматься или приглашенные специалисты из обслуживающей организации, или работники специализированного сервисного центра.
Плюсы и минусы плиты с газ-контролем
@stroy-podskazka.ru
Газовый контроль печки имеет ряд весомых преимуществ:
- Необходимость удерживать ручку в нажатом состоянии, прежде чем огонь загорится, исключает возможность включения маленьким ребёнком.
- Независимо от причин угасания пламени, система отключает подачу топлива уже через минуту.
- Исключается необходимость постоянно находиться рядом с печкой, даже если что-то сбежит, конфорка отключится автоматически.
Хозяева печей с контролем подачи топлива отмечают и недостатки:
- Некоторые печки с системой безопасности включаются через 5 секунд, ручку других нужно удерживать до 20 сек., пока огонь загорится.
- Если термопара выходит из строя, конфорка перестаёт функционировать.
- Починить поломку датчика самому невозможно, необходимо вызывать квалифицированного специалиста;
- Печка с датчиком стоит дороже.
Устройство и принцип работы
Конструкция любой газовой плиты мало отличается друг от друга, за исключением некоторых индивидуальных дополнений:
- Корпус — он выполнен из эмалированной стали, имеет довольно жесткую конструкцию.
- Рабочая поверхность — покрыта жаропрочной эмалью, в дорогих моделях она сделана из нержавеющей стали. Сверху для защиты конфорок располагается решетка из чугуна или эмалированной стали.
- Конфорки изготавливаются из различного материала от алюминия до керамики.
- Духовка предназначена для тепловой обработки продуктов, имеет отдельный термостат, в комбинированных моделях может быть электрической.
- Газовое оборудование с распределительными трубопроводами и запорными кранами.
- Автоматический розжиг.
В современных изделиях расположено несколько отдельных систем:
- Основная — это газовая, к ней относятся трубопроводы, поворотные переключатели, горелки, рассекатели и конфорки.
- Управление и контроль — процессоры, таймер, датчики системы газ-контроль, термопары и термометр.
- Электрическая — электроподжиг, гриль (в комбинированных устройствах), подсветка духовки.
Принцип действия
Основная работа основана на горении природного газа и температурной обработке продуктов питания. Регулирование газового потока в горелку осуществляется переключателями на панели управления. Голубое топливо, проходя по цилиндрической части горелки, смешивается с воздухом, образуя газовоздушную смесь.
Эта субстанция проходит через перфорации, которые имеет установленный сверху на цилиндр горелки рассекатель, затем выходит наружу и воспламеняется. Тепло от сгорания передается кухонной посуде, установленной на специальной решетке. Качественная конструкция системы позволяет осуществить полное сгорание газа — вот и весь принцип работы плиты.
Конфорки
Горелки выполняют основную роль в процессе смешивания газа с воздухом и подачи его к конфорке, перфорации имеют разный диаметр: внутренний, скрытый от глаз ряд — малые размеры, а внешний, расположенный на головке сопла, намного больший. Новейшие аналогичные устройства имеют два или три ряда (Три короны) перфораций для быстрого нагрева. Каждая конфорка располагается не ближе 230 мм от соседнего устройства.
Духовка
Эти устройства подразделяются на два основных вида:
- Два режима нагрева — нижний осуществляет основная горелка, верхний при помощи гриля.
- Несколько режимов плюс конвекция — принудительная циркуляция раскаленного воздуха.
Во втором варианте используются дополнительные нагреватели, расположенные сбоку и около задней стенки изделия.
Автоматический розжиг
Каждая современная газовая плита имеет устройство для поджога газовоздушной смеси — в основном используются свечи, создающие искру. Принцип действия довольно несложный:
- На положительном заряде конденсатор заряжается.
- При отрицательном значении он разряжается на первичную обмотку.
Каждая плита должна иметь хорошее заземление, т. к. пробой для появления искры происходит на корпус рассекателя. Конструкция свечей не отличается, а их главное предназначение — формировать устойчивую искру для розжига газа. Менять конфорку самостоятельно не стоит: можно случайно перепутать соединение проводов и вместо розжига получится взрыв смеси с негативными последствиями.
Соединение свечей производится попарно, а установка их осуществляется по одной на конце каждой обмотки. Свеча выбивает искру, а ток течет по корпусу рабочей плиты, но не стоит пугаться — получить удар довольно сложно, но все меры безопасности надо выполнять строго. Для бытовой газовой плиты электрический розжиг осуществляется автоматически при повороте регулятора, никакие кнопки дополнительно нажимать не надо. Минус такой системы — если отключится электричество, то розжиг не произойдет, так что держите про запас коробок спичек.
Правила эксплуатации
Все газовые плиты имеют инструкцию по их эксплуатации, но мы вам напомним некоторые моменты, о которых не следует забывать при первичной установке и дальнейшем использовании бытовой техники:
- при подключении надо отключить электроэнергию во всей квартире;
- убрать с кухни мобильные телефоны или отключить их;
- открыть окно, а в зимний период включить вытяжную систему;
- закрыть плотно вентиль подачи газа, и проверить его с помощью мыльной пены на предмет утечки;
- при установке использовать только специальные инструменты и материалы;
- все соединения после подключения проверить на предмет утечки газа при помощи мыльной пены.
При появлении даже небольшого пузырька, соединение следует подтянуть и проверить заново. Если появился запах газа на кухне, то необходимо проверить все соединения, когда место утечки не выявили самостоятельно — вызывайте мастера, чтобы он диагностировал всю систему подключения и внутренние соединения. Строгое выполнение необходимых мер безопасности — залог предотвращения пожароопасной ситуации. Помните, что газ имеет свойство взрываться от малейшей искры.
голоса
Рейтинг статьи
Безопасность
Выбираем безопасную газовую плиту
Так как газовая плита для кухни пожароопасная техника советуем выбрать модель с системой безопасности:
- Газ-контроль. В случае если пламя не появилось или внезапно погасло, система перекрывает газ. И это защищает от его утечки. Лучше, когда газ-контроль и на рабочей поверхности, и на духовом шкафу;
- Электроподжиг. Разжигать пламя спичками или зажигалкой опасно не только ребёнку, но и взрослому. Можно просто быть один раз неаккуратным и устроить пожар. Спец. устройство для розжига даст пламя и защитит вас. Реализовано оно может быть в виде кнопки на панели или же это может быть автоматический поджиг, когда пламя появляется от поворота рукоятки;
- Стекло на духовке. Лучше, когда шкаф оборудован несколькими стёклами, тогда вы не обожжётесь об его поверхность во время приготовления;
- Детская защита. Функция запрещает включение плиты или открытие духовки во время работы, что идеально, когда дома есть дети;
- Таймер. Напоминает о том, что еда готова, а также отключает плиту в назначенный час.
И, несмотря на все умные функции, за своей безопасностью стоит следить и самому. А делать это просто – соблюдайте несколько правил:
- Во время готовки включайте вытяжку, а если её нет – откройте окно;
- После приготовления проветривайте кухню;
- Желательно, чтобы плита не работала без перерыва больше 2 ч.;
- Если такой необходимости нет, то не запускайте сразу все конфорки и духовку;
- Газ сгорает лучше, если расстояние от конфорки до дна посуды больше;
- Следите за цветом пламени. Синий прозрачный цвет говорит о том, что всё хорошо. Наличие красных, оранжевых оттенков – признак того, что сгорание происходит не до конца. При появлении копоти стоит обратиться в газовую службу.
Конструкция газовых плит
Выпускаемые нашей промышленностью газовые плиты предназначены для работы на природном и сжиженном газе. Установленный срок службы плиты по ГОСТ Р 50696-94 не менее 14 лет. В различных ведомствах этот срок продлен до 20—25 лет. Фактически же плита служит до прогара духовки (рис. 1-10-7).
Рис. 1-10-7. Части газового тракта газовых плит прошлых лет выпуска: а — пробковый кран, б, в — горизонтальные горелки; 1 — щиток; 2 — регулятор первичного воздуха; 3 — корпус горелки; 4 — колпачок; 5 — насадка; 6 — газопровод; 7 — корпус горелки; 8 — пробка; 9 — стержень; 10 — стопорный винт; 11 — сопло горизонтальное
В табл. 1.10.7 в графе «тип» первая цифра, следующая за буквой, означает количество горелок стола. Так, в плите типа П4/1 горелок стола 4, а конфорок всего 2, ибо они чугунные литые и прикрывают сразу две горелки. В то же время плита ПБ-4 имеет при четырех горелках 4 конфорки. Здесь стол — сплошной чугунный с отверстиями, на которые и накладываются кольцеобразные чугунные конфорки. Некоторые из этих плит оснащаются приставными боковыми полочками на уровне стола, что требует большей площади для установки. При минимальном месте полочки снимают, и сразу длина, например, плиты ПБ-4 сократится с 940 мм до 560 мм. Табличку с краткими техническими данными плиты прикрепляют к ее корпусу сбоку или с тыльной стороны. На табличке указывают завод-изготовитель, год выпуска, номинальное рабочее давление, теплоту сгорания газа и т.д. Например: тип ПГ 4/1-1 ГОСТ 10798-64, П = 130 мм вод. ст. Q = 8000 ккал/м3, 1964 г., «Газоаппарат рабочее давление, теплоту сгорания газа и т. д.», Москва.
Таблица 1.10.7
| Тип | Тепловая мощность горелки, ккал/ч | Присоед. резьба, трубная цилиндр., дюймы | Габариты, мм | Вес, кг | Изготовитель | |||
| конфорки стола | духовки | высота | длина | ширина | ||||
| П4/1 | 1700 | 3720 | 1/2 | 850 | 730 | 620 | 62 | «Газоаппарат», Москва |
| П4/1м | 1700 | 3700 | 3/4 | 830 | 930 | 550 | 48 | «Газоаппарат», Петербург |
| П4/1 | 1700 | 3700 | 1/2 | 800 | 930 | 580 | 46 | «Газоаппарат», Львов |
| П2/1 | 1700 | 1800 | 1/2 | 830 | 550 | 315 | 30 | «Газоаппарат», Петербург |
| ПГ-2А | 1700 | — | 1/2 | 810 | 555 | 340 | 20 | «Газоаппарат», Москва |
| П2/1ВМ | 1700 | 2040 | 1/2 | 800 | 620 | 403 | 34 | Волгоград |
| ПБ-4 | 1700 | 3700 | 1/2, 3/4 | 810 | 940 | 560 | «Газоаппарат», Москва |
Большинство плит старых типов демонтировано по сроку службы и по мелким дефектам. Эти дефекты вполне устранимы даже собственными силами, но плиты отправили в металлолом. Плиты продолжают менять и сейчас. Как эти снятые плиты самостоятельно отремонтировать и использовать на садовых участках, в сельских усадьбах, рассмотрим ниже.
Решетки столов плит 80-х годов позволяют устойчиво ставить на горелки посуду с диаметром дна не менее 60 мм. При этом подсос воздуха в горелку будет всегда обеспечен
Особенности настройки газовых плит
Чтобы перейти с первой пары давлений ко второй в первой категории, меняются сопла либо дроссельные шайбы, либо регулировкой шибера подачи воздуха. Собственно, указанные методики видим у белорусов. Часто встречается необходимость подстройки или замены винта Малого огня. В этом смысле ремонт газовых плит Ардо повторяет ремонт газовых плит Ariston. В семействе 3P запрещается переход на альтернативный вид газа. Допускается замена сопла, регулировка подачи воздуха либо редуктора для смены рабочего давления.
У второй категории гораздо интереснее. При переходе с газа первого семейства на второе производятся манипуляции:
- Замена инжекторов или дросселей.
- Настройка расхода газа для первого семейства. Для второго семейства, наоборот, регулирующие устройства изымаются.
- Замена запальной горелки.
- Настройка подачи воздуха.
Громоздко стандарт рассказывает о наличии регулятора давления, который снимается в отдельных случаях:
- Регулятор давления не допускается ставить, когда подстройка ведется без изменения входного потока.
- Исключения составляют приборы из семейств 2Р+, 2L+, 2E+.
- В остальных случаях наличие регулятора давления газа допускается.

В газовых плитах второй категории переход между вторым и третьим семейством (и наоборот) проходит описанным образом:
- Смена форсунки или дросселя.
- Исключение регулятора давления для второго семейства в случаях, указанных выше.
- Для третьего семейства убираются элементы предварительной настройки малого расхода.
- Настройка подачи воздуха.
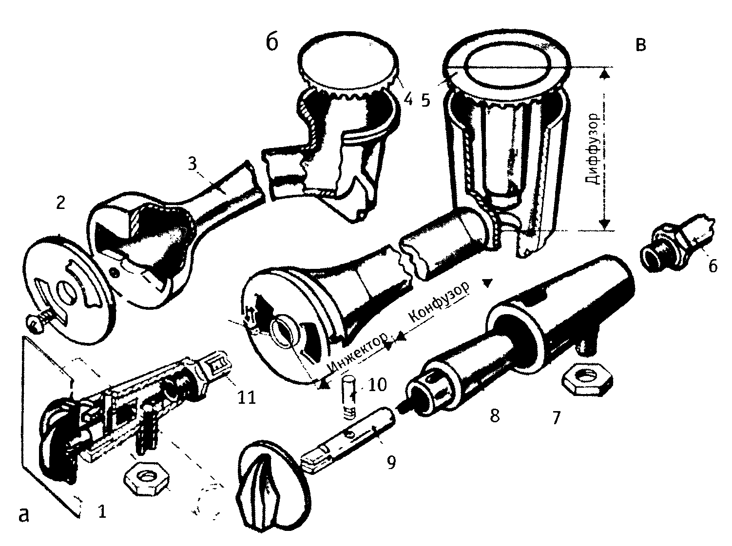
Горелка изделия
Многие путают конфорку и горелку, так вот, горелка находится внутри плиты под варочной поверхностью, а сверху установлены конфорки с рассекателями, которые при влажной уборке можно вынимать и протирать (только старайтесь, чтобы в отверстия рассекателя не попадала вода). Если убрать конфорку, то под ней в глубине можно увидеть корпус горелки и сопло, из отверстия которого газ и поступает в раструб рассекателя, где смешивается с воздухом для устойчивого горения. Для каждой горелки характерна определенная мощность, в быту существуют такие варианты:
- минимальное пламя, когда регулятор находится в крайнем левом положении;
- средний огонь — регулятор стоит посредине;
- максимальное горение — регулятор стоит в крайнем правом положении, конфорка полностью прогрета, пламя устойчивое и не отрывается от рассекателя, газ сгорает полностью.

Схема газовой горелки
У специалистов бытует такое понятие — оптимальная мощность изделия. Она определяется по максимально полному сгоранию голубого топлива и указывается в технических характеристиках газовой плиты.
Горелки повсеместно используются только трех видов:
- диффузионные;
- кинетические;
- смешанный вариант.
Названия идут от особенности горения: в первом варианте принудительного смешивания с воздухом нет — струя газа попадает в раструб конфорки, где естественным путем перемешивается с воздухом. Горелка духового шкафа относится к первому типу — воздух берется из внутренней части плиты. Во втором варианте всасывание осуществляется за счет энергии движения газа под небольшим давлением, происходит смешивание и горючая смесь подается на конфорку. В современных моделях применяется третий вариант, когда половина воздуха берется изнутри изделия, а затем в раструбе конфорки смесь дополнительно перемешивается с наружным воздухом кухни.

Устройство газовой плиты
- базовая, включающая в себя относящиеся непосредственно к подаче и сгоранию газа детали: трубопровод, запорные вентили, конфорки и горелки;
- электрическая часть, позволяющая более комфортно пользоваться устройством, включает в себя электрический поджиг, подсветку, а также в некоторых моделях электропитание гриля;
- каркас, исполненный, как правило, из нержавейки и покрытый жаропрочной и ударостойкой эмалью.
Устройство газовой горелки
Горелка и конфорка – разные вещи, хотя многие зачастую их по незнанию путают. Горелка располагается в плите, под варочной поверхностью, тогда как в верхней части расположены конфорки. Их при помывке вынимают и протирают, стараясь, чтобы внутрь рассекателей не попадала влага. Под конфоркой находится корпус горелки с соплом. Из него газ поступает в рассекатель, где происходит его смешивание с воздухом. Посредством регулятора осуществляется управление подачей газа из горелки – от самого слабого (крайнее левое положение) и до максимального (крайнее правое положение регулятора).
В зависимости от того, применяется природный либо баллонный газ, ставятся сменные комплекты жиклёров на горелки. Самостоятельно менять жиклёры и осуществлять настройку давления не рекомендуется, лучше доверить это дело специалисту.
Применяется три вида горелок:
Названия происходят от принципа действия: в диффузионных горелках газ естественным образом смешивается с воздухом после того, как прошёл раструб рассекателя. В духовом шкафу используется именно такой вариант. У горелок диффузионного типа газ поступает под давлением, за счёт чего происходит всасывание воздуха, и в конфорку поступает уже готовая смесь. Современные газовые плиты оснащены горелками смешанного типа, в которых часть воздуха поступает изнутри плиты, а часть – поступает в конфорку из помещения кухни.
Газконтроль
Контроль за процессом горения происходит за счёт термопары, перекрывающей газ в случае, если гаснет одна из конфорок. Для работы системы «Газконтроль» необязательно наличие электропитания, срабатывание происходит независимо от него.
В процессе работы происходит нагрев термопары, заслонка, управляемая электромагнитным клапаном, находится в открытом положении. В случае угасания пламени в результате выкипания воды и выплёскивания её на конфорку, прекращается воздействие остывшей термопары на клапан, и происходит закрытие заслонки.
Электроподжиг
Нередко современные плиты оснащаются системой электрического поджига. В неё входят запальные свечи, работающие от электросети и расположенные рядом с конфорками. Подача питания на них осуществляется нажатием кнопки. Если в сети нет напряжения – не беда. Спокойно открывают вентиль подачи газа на конфорку, и пользуются старыми добрыми спичками.
Электрическая система
К классическому розжигу вопросов быть не должно: зажигаем спичку, подносим её к конфорке, и газ воспламеняется. Современные модели оснащаются более продвинутыми системами с пьезоэлементом. Последний представляют собой небольшой модуль с отводом к конфорке, где при нажатии на кнопку появляется искра, воспламеняющая топливо.
Техника может комплектоваться как полностью автоматическими системами розжига, так и полуавтоматическими. Последняя устанавливается, как правило, на бюджетных и среднебюджетных газовых плитах.
- Автоматический розжиг. Сразу после поворота рычага для подачи газа активируется пьезоэлемент на выбранной конфорке, и происходит воспламенение.
- Полуавтоматический розжиг. При нажатии на кнопку искра проходит по всем конфоркам, но загорается только та, где был открыт газовый клапан.
Обе системы зависят от электричества и не будут работать за его отсутствием. В этом случае для розжига придётся использовать спички или зажигалку.

Помимо электрического розжига, в газовой печи есть и другие элементы, работающие от электричества. Очень часто разработчики устанавливают внутрь духового шкафа электрический гриль, чтобы обеспечить блюду румяную корочку. Также у каждой современной модели есть система внутренней подсветки. Включается она нажатием специальной клавиши на панели управления, расположенной на лицевой стороне изделия. Работающий духовой шкаф подсвечивается изнутри для визуального контроля за качеством приготовления.

Выводы и полезное видео по теме
Полезные советы по уходу за конфорками:
Как заменить жиклеры при переходе на сжиженное топливо в баллонах:
Газовая плита – сложная бытовая техника, требующая знакомства как с особенностями конструкции, так и с правилами эксплуатации. Прежде чем начать пользоваться этим необходимым кухонным оборудованием, рекомендуем внимательно изучить рекомендации производителя, задать интересующие вопросы работнику газовой службы и научиться управлять плитой.
Помните, что газовая техника, наряду с электрической, относится к опасным для здоровья и жизни бытовым предметам, поэтому соблюдайте правила использования и вовремя сообщайте о потенциальной угрозе!
Если у вас остались вопросы по этой статьи или вы можете дать ценный совет по уходу или выбору газовой плиты, пожалуйста оставляйте свои в блоке под статьей.





































